導風圈作為風機的重要配件,可以優化氣流,使空氣分布更加均勻;減少阻力,減少渦流和湍流,減低能耗和噪音;作為一個分立部件,需要正確的安裝才能發揮它的最大功效。
很多客戶購買了我們的導風圈,但是不會安裝或者忽略了一些細節,今天我們給大家展示一下。
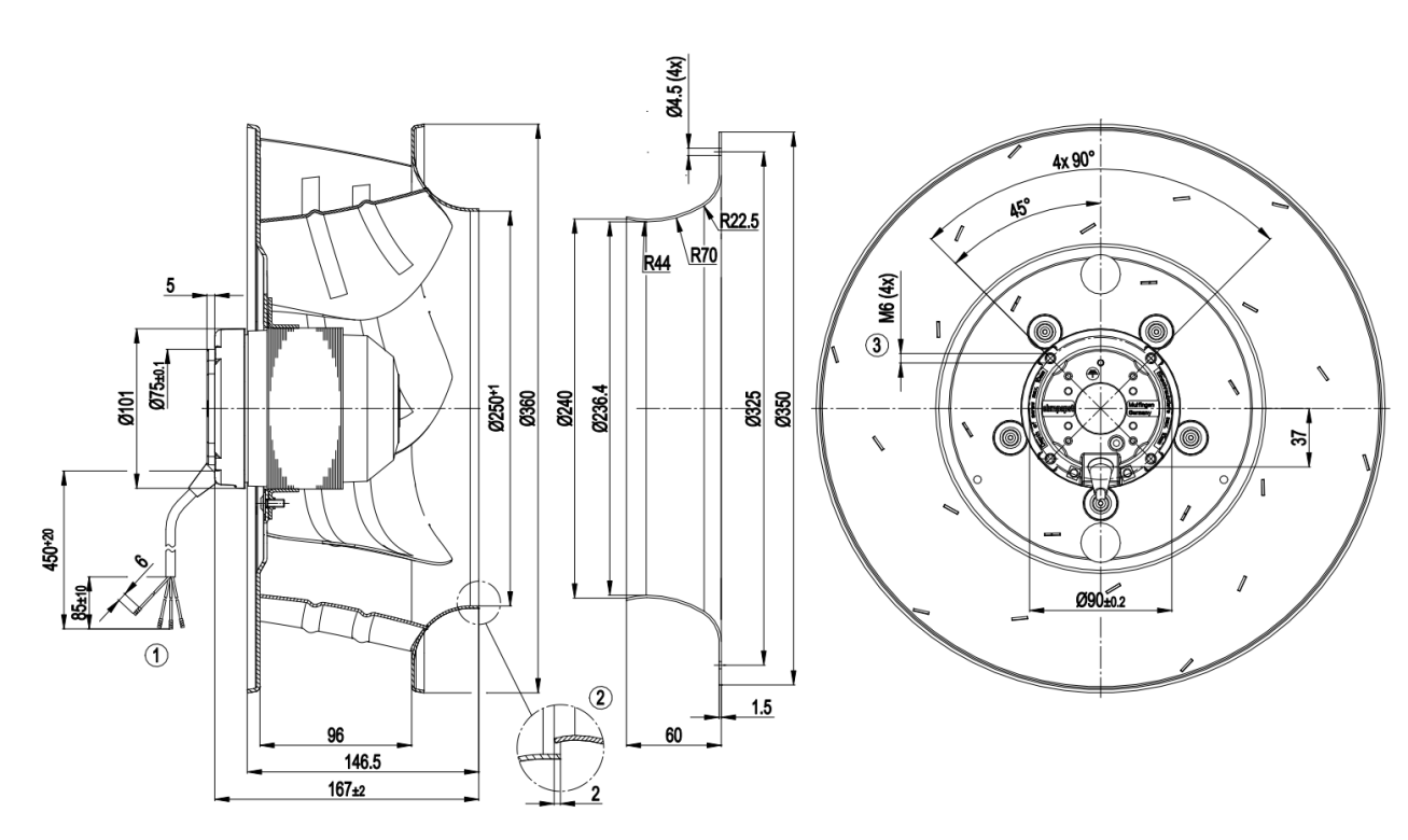
以常賣的用于FFU行業的R4E355AK0505為例,安裝流程如下。

風機定子有4個M6的固定孔,孔深為16mm,選擇螺栓時注意該尺寸,避免風機安裝不牢固。
將導風圈的小口徑面向葉輪進風口,并嵌入2mm深度,不同尺寸的離心風機對適配的導風圈尺寸也是有要求的,無論是進風口內徑還是導風圈高度,都對風機的進風效果和噪音等產生影響,因此需要搭配最優尺寸的導風圈。









