
- 產品簡介
- 產品性能
- 應用范圍
NMB-MAT美蓓亞 4710KL-04W-B59軸流風機實拍圖
????北京恒瑞宏晟機電設備有限公司經營離心風機、軸流風扇、貫流風扇、變頻器風扇數十年,產品匯聚世界風機風扇品牌,長期供應德國NMB-MAT(美蓓亞)風機,型號齊全,大量現貨,全新原裝,歡迎垂詢!
NMB-MAT美蓓亞 4710KL-04W-B59軸流風機參數
類型 直流風扇
品牌 NMB
型號 4710KL-04W-B59(E01)
電壓 12(V)
電流 0.72(A)
適用范圍 散熱通風
風葉直徑 120*120*25mm
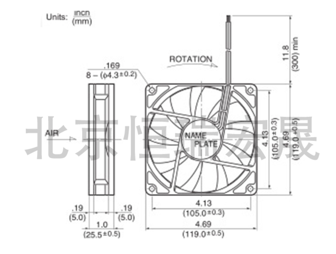
NMB-MAT美蓓亞 4710KL-04W-B59軸流風機結構圖

NMB-MAT美蓓亞 4710KL-04W-B59軸流風機曲線圖
.png)
????北京恒瑞宏晟機電設備有限公司經營離心風機、軸流風扇、貫流風扇、變頻器風扇數十年,產品匯聚世界風機風扇品牌,長期供應德國NMB-MAT(美蓓亞)風機,型號齊全,大量現貨,全新原裝,歡迎垂詢!
4710KL-04W-B59 NMB-MAT 美蓓亞 軸流風機 12025
北京恒瑞宏晟機電設備有限公司是一家從事風機及工控產品銷售的企業,主要提供通風散熱產品和工控系統配件,產品廣泛應用于通風、空調、制冷、供暖、電氣自動化、變頻器、軌道交通、HVAC(FFU/AHU)、空氣凈化、風電發電、工業醫療、新能源汽車等多個行業。
風機問題在線解答:
1608KL-04W-B59
2406KL-05W-B50
3110KL-04W-B79
3110KL-05W-B69
3610KL-04W-B59
4710KL-04W-B59
4715KL-05W-B49
4715KL-07W-B39
4715MS-12T-B50
5915PC-12T-B30
BM5115-04W-B30
北京恒瑞宏晟機電設備有限公司專業提供變頻器、軌道交通、空氣凈化、新能源汽車等領域的通風散熱制冷配件,風機型號齊全,全新原裝,現貨庫存,期待您咨詢采購!