
- 產品簡介
- 產品性能
- 應用范圍
施樂百的離心風機,軸流風機,橫流/貫流風機應用廣,無論是汽車技術,通風和排氣,設備冷卻技術,制冷和空調技術,農業工程,機械和設備技術,還是無塵室和醫療技術,深海技術,工藝空氣,建筑工程,升降機技術,熱力工程,可再生資源等,施樂百風機都發揮了巨大的作用。
德國ziehl-abegg RH56M-6DK.6K.1R風機實拍圖



????北京恒瑞宏晟機電設備有限公司經營離心風機、軸流風扇、貫流風扇、變頻器風扇數十年,產品匯聚世界風機風扇品牌,長期供應德國ziehl-abegg(施樂百)風機,型號齊全,大量現貨,全新原裝,歡迎垂詢!
德國ziehl-abegg RH56M-6DK.6K.1R風機參數
類型 離心風扇
品牌 施樂百
型號 RH56M-6DK.6K.1R
電機功率 630(w)
電壓 230/400(V)
電流 2.5/1.45(A)
風葉直徑 560MM
轉速 900(r/min)
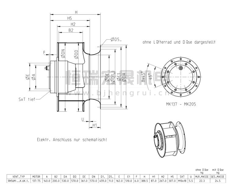
德國ziehl-abegg RH56M-6DK.6K.1R風機結構圖

????北京恒瑞宏晟機電設備有限公司經營離心風機、軸流風扇、貫流風扇、變頻器風扇數十年,產品匯聚世界風機風扇品牌,長期供應德國ziehl-abegg(施樂百)風機,型號齊全,大量現貨,全新原裝,歡迎垂詢!
施樂百 離心風機 RH56M-6DK.6K.1R
北京恒瑞宏晟機電設備有限公司是一家從事風機及工控產品銷售的企業,主要提供通風散熱產品和工控系統配件,產品廣泛應用于通風、空調、制冷、供暖、電氣自動化、變頻器、軌道交通、HVAC(FFU/AHU)、空氣凈化、風電發電、工業醫療、新能源汽車等多個行業。
風機問題在線解答:
RH45M-VDK.6F.1R
RH45M-VDK.4F.1R
RH45C-VDK.6K.1R
RH40M-4EK.4I.1R
RH40M-4DK.4C.1R
RH40G-4DK.2F.1R
RH35M-4EK.4F.1R
RH35M-4DK.4C.1R
RH31M-6ID.BD.2R
RH31M-4EK.2F.1R
RH28C-2DD.3I.CR
RH25V-6IK.BD.1R
RG28P-4DK.6F.1R
RF22P-2DN.B4.5R
RF22P-2DK.3F.5R
RF22P-2DD.5H.1R
RE22P-2DK.3F.5R
RE22P-2DD.5H.1R
RE18P-2DK.1E.2R
RD25S-4EW.4I.DL
RD22P-4DW.4N.1R
北京恒瑞宏晟機電設備有限公司專業提供變頻器、軌道交通、空氣凈化、新能源汽車等領域的通風散熱制冷配件,風機型號齊全,全新原裝,現貨庫存,期待您咨詢采購!









