
- 產品簡介
- 產品性能
- 應用范圍
ebmpapst 冷凝低氮鍋爐 高壓除塵風機 G1G170-AB31-01
類型 離心風扇
品牌 ebmpapst
型號 G1G170-AB31-01
電機功率 315(w)
電壓 230(V)
電流 2.15(A)
適用范圍 冷凝低氮鍋爐 高壓除塵
風葉直徑 170mm
轉速 5650(r/min)
德國ebmpapst G1G170-AB31-03離心風機實拍圖



????北京恒瑞宏晟機電設備有限公司經營離心風機、軸流風扇、貫流風扇、變頻器風扇數十年,產品匯聚世界風機風扇品牌,長期供應德國ebmpapst(依必安派特)風機,型號齊全,大量現貨,全新原裝,歡迎垂詢!
ebmpapst 冷凝低氮鍋爐 高壓除塵風機 G1G170-AB31-01
類型 離心風扇
品牌 ebmpapst
型號 G1G170-AB31-01
電機功率 315(w)
電壓 230(V)
電流 2.15(A)
適用范圍 冷凝低氮鍋爐 高壓除塵
風葉直徑 170mm
轉速 5650(r/min)
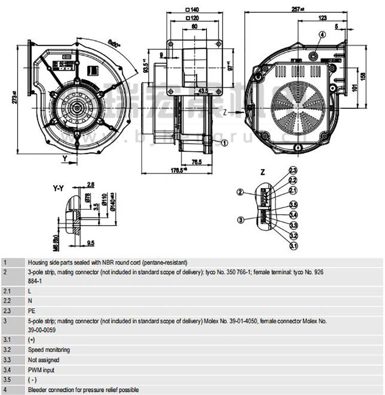
德國ebmpapst G1G170-AB31-03風機規格圖

德國ebmpapst G1G170-AB31-03風機曲線圖

北京恒瑞宏晟機電設備有限公司經營離心風機、軸流風扇、貫流風扇、變頻器風扇數十年,產品匯聚世界風機風扇品牌,長期供應德國ebmpapst(依必安派特)風機,型號齊全,大量現貨,全新原裝,歡迎垂詢!
ebmpapst 燃氣鍋爐 印刷機風扇 G1G170-AB31-03
ebmpapst的離心風機,具有高壓頭、高流量、結構緊湊的特點,尤其適用于冷凝式燃氣鍋爐、普通燃氣鍋爐、壁掛爐、燃油燃氣燃燒器、燃料電池等各種領域。風機采用了智能型的EC電機作為驅動,風機轉速可通過開式或閉式電路調節,安全節能,性能穩定,制熱12KW-4200KW的制熱風機系列產品均可覆蓋。

G1G170-AB31-03
G1G170-AB31-51
G3G250-MW50-01
G3G315-M3G150FF
G3G250-GN17-01
G1G170-AB53-01
G3G250-GN44-01
D2E160-AB01-06
D2E160-AH01-17
D2E160-AH01-17
D2E160-AH02-15
D4E133-AA01-44
D4E160-FH12-05
D4E180-CA02-36
D4E225-CC01-30
D4E225-CC01-39
D4E225-CC01-57
北京恒瑞宏晟機電設備有限公司是一家從事風機及工控產品銷售的企業,主要提供通風散熱產品和工控系統配件,產品廣泛應用于通風、空調、制冷、供暖、電氣自動化、變頻器、軌道交通、HVAC(FFU/AHU)、空氣凈化、風電發電、工業醫療、新能源汽車等多個行業。風機型號齊全,全新原裝,現貨庫存,期待您咨詢采購!









