.png)
- 產品簡介
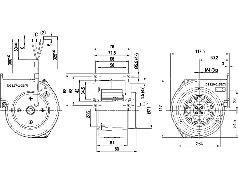
- 產品性能
- 應用范圍
.png)
.png)
北京恒瑞宏晟機電設備有限公司是一家從事風機及工控產品銷售的企業,主要提供通風散熱產品和工控系統配件,產品廣泛應用于通風、空調、制冷、供暖、電氣自動化、變頻器、軌道交通、HVAC(FFU/AHU)、空氣凈化、新能源汽車等多個行業。
庫存狀態:現貨 |
.png)
北京恒瑞宏晟機電設備有限公司是一家從事風機及工控產品銷售的企業,主要提供通風散熱產品和工控系統配件,產品廣泛應用于通風、空調、制冷、供暖、電氣自動化、變頻器、軌道交通、HVAC(FFU/AHU)、空氣凈化、新能源汽車等多個行業。
R1G085-AB05-01風量:95m³/h 電壓:24v 電流:0.64A 功率:14W 轉速:2850r/min
R1G085-AB07-01風量:95m³/h 電壓:48v 電流:0.32A 功率:14W 轉速:2850r/min
G1G085-AB05-01風量:95m³/h 電壓:24v 電流:0.64A 功率:14W 轉速:2850r/min
G1G085-AB07-01風量:95m³/h 電壓:48v 電流:0.32A 功率:14W 轉速:2850r/min
R1G108-AB17-02風量:200m³/h 電壓:24v 電流:2A 功率:42W 轉速:3000r/min
G1G108-AB17-02風量:200m³/h 電壓:24v 電流: 2A 功率:42W 轉速:3000r/min
R1G108-AB41-02風量:200m³/h 電壓:48v 電流:1 A 功率:42W 轉速:3000r/min
G1G108-AB41-02風量:200m³/h 電壓:48v 電流:1A 功率:42W 轉速:3000r/min
R1G133-AE19-02風量:225m³/h 電壓:24v 電流:2.2A 功率:40W 轉速:2000r/min
G1G133-DE19-02風量:225m³/h 電壓:24v 電流:2.2A 功率:40W 轉速:2000r/min
R1G133-AE03-02風量:225m³/h 電壓:48v 電流:1.1A 功率:40W 轉速:2000r/min
G1G133-DE03-02風量:225m³/h 電壓:48v 電流:1.1A 功率:40W 轉速:2000r/min
R1G140-AV17-02風量:400m³/h 電壓:24v 電流:2.5A 功率:54W 轉速:1750r/min
G1G140-AV17-02風量:400m³/h 電壓:24v 電流:2.5A 功率:54W 轉速:1750r/min
更多型號請聯系客服,北京恒瑞宏晟長期優惠供應,型號齊全,歡迎選購