
- 產品簡介
- 產品性能
- 應用范圍
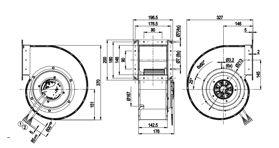
離心ebm風機G3G180-EF01-03的規格圖
.png)
德國ebm全新G3G180-EF01-03離心風機曲線圖
.png)
北京恒瑞宏晟機電設備有限公司授權代理德國ebmpapst風扇和德國mdexx美德克斯產品,我公司是龐大的變頻器風扇經銷商,我們一直努力為客戶提供優質的產品和完善的服務。我公司長期為客戶提供以下產品現貨庫存:西門子、ABB、施耐德、丹佛斯、偉肯、倫茨、AB羅克韋爾、艾默生、富士、三菱、安川、三墾、日立、意大利西威、安莎爾多、臺達、利德華福等品牌變頻器風扇。
庫存狀態:現貨 |
.png)
北京恒瑞宏晟機電設備有限公司是一家從事風機及工控產品銷售的企業,主要提供通風散熱產品和工控系統配件,產品廣泛應用于通風、空調、制冷、供暖、電氣自動化、變頻器、軌道交通、HVAC(FFU/AHU)、空氣凈化、新能源汽車等多個行業。
低價熱賣G3G180-EF01-03離心風機,適用于通風散熱制冷行業
北京恒瑞宏晟可為用戶提完整的行業選型及解決方案,全系列風機全年在庫現貨,歡迎新老客戶隨時咨詢、選購!
以下部分型號長期優惠供應:
G2E120-AR77-01 G2E120-CR21-01 G2E120-TD76-01 G2E133-DN77-01 G2E140-AE77-01
G2E140-AI28-01 G2E140-AL40-01 G2E140-DI52-01 G2E140-NL33-01 G2E140-NS38-01
G2E146-DW07-01 G2E160-AY47-01 G2E180-EH03-01 G3G108-BB01-02 G3G108-BB15-02
G3G120-BB03-02 G3G120-BB13-02 G3G133-DD05-02 G3G133-DD11-02 G3G140-AV03-02
G3G140-AV19-02 G3G140-AW05-12 G3G140-AW21-12 G3G146-AB54-01
G3G160-AC50-01 G3G160-AD52-01 G3G180-AA23-81 G3G180-AD43-71
G3G180-EU60-01 G3G200-AL29-71 G3G200-AL36-81 G3G225-AD29-71
G3G225-AL36-81 G4D180-FF20-01 G4D180-GF20-01 G4D200-BL12-01
G4D200-CL12-01 G4D225-FK10-03 G4D225-GK10-0 G4D250-DC10-03
G4D250-EC10-03 G4E160-AB01-01 G4E180-AB01-01 G4E180-FS11-01
G4E180-GS11-01 G4E200-BL03-01 G4E200-CL03-0 1G4E225-DK05-03
G4E225-EK05-03 G4E250-DA09-03 G4E250-EA09-03 G4E280-CA21-01
G6E250-DK05-03G6E250-EK05-03