
- 產品簡介
- 產品性能
- 應用范圍
G4E160-AB01-01 ebmpapst 散熱風機 230V
類型 離心風扇
品牌 ebmpapst
型號 G4E160-AB01-01
電機功率 67(w)
電壓 230(V)
電流 0.3(A)
風葉直徑 160mm
轉速 1300(r/min)
德國ebmpapstG4E160-AB01-01風機實拍圖



????北京恒瑞宏晟機電設備有限公司經營離心風機、軸流風扇、貫流風扇、變頻器風扇數十年,產品匯聚世界風機風扇品牌,長期供應德國ebmpapst(依必安派特)風機,型號齊全,大量現貨,全新原裝,歡迎垂詢!
德國ebmpapst G4E160-AB01-01離心風機參數
類型 離心風扇
品牌 ebmpapst
型號 G4E160-AB01-01
電機功率 67(w)
電壓 230(V)
電流 0.3(A)
風葉直徑 160mm
轉速 1300(r/min)
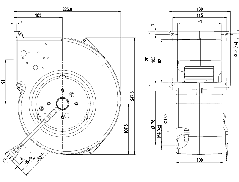
德國ebmpapst G4E160-AB01-01風機結構圖
.png)
德國ebmpapst G4E160-AB01-01風機曲線圖
.png)
ebmpapst 離心風機 G4E160-AB01-01
北京恒瑞宏晟機電設備有限公司是一家從事風機及工控產品銷售的企業,主要提供通風散熱產品和工控系統配件,產品廣泛應用于通風、空調、制冷、供暖、電氣自動化、變頻器、軌道交通、HVAC(FFU/AHU)、空氣凈化、風電發電、工業醫療、新能源汽車等多個行業。
風機問題在線解答:
D2E133-AM47-01
D2E133-AM47-01/A01
D2E133-AM47-01/A03
D2E133-AM47-23
D2E133-CI33-22
D2E133-CI33-56
D2E133-DM47-23
D2E146-AP47-02
D2E146-AP47-22
D2E146-AP47-F8
D2E146-AP47-C3
D2E146-CD51-23
D2E146-HT67-02
D2E160-AA05-08
D2E160-AB01-06
D2E160-AH01-17
D2E160-AH01-17
D2E160-AH02-15
D4E133-AA01-44
D4E160-FH12-05
D4E180-CA02-36
D4E225-CC01-30
D4E225-CC01-39
D4E225-CC01-57
北京恒瑞宏晟機電設備有限公司專業提供變頻器、軌道交通、空氣凈化、新能源汽車等領域的通風散熱制冷配件,風機型號齊全,全新原裝,現貨庫存,期待您咨詢采購!