
- 產品簡介
- 產品性能
- 應用范圍
R2E225-AT51-14 ebmpapst 離心風扇 230V風機
類型 離心風扇
品牌 ebmpapst
型號 R2E225-AT51-14
電機功率 105(w)
電壓 230(V)
電流 0.46(A)
風葉直徑 225mm
轉速 2650(r/min)
德國ebmpapst R2E225-AT51-14離心風機實拍圖
風機配件選擇:
????北京恒瑞宏晟機電設備有限公司經營離心風機、軸流風扇、貫流風扇、變頻器風扇數十年,產品匯聚世界風機風扇品牌,長期供應德國ebmpapst(依必安派特)風機,型號齊全,大量現貨,全新原裝,歡迎垂詢!
R2E225-AT51-14 ebmpapst變頻器風扇 230V風機
類型 離心風扇
品牌 ebmpapst
型號 R2E225-AT51-14
電機功率 105(w)
電壓 230(V)
電流 0.46(A)
風葉直徑 225mm
轉速 2650(r/min)
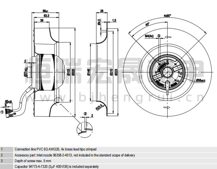
德國ebmpapst R2E225-AT51-14風機結構圖

德國ebmpapst R2E225-AT51-14風機曲線圖
北京恒瑞宏晟機電設備有限公司經營離心風機、軸流風扇、貫流風扇、變頻器風扇數十年,產品匯聚世界風機風扇品牌,長期供應德國ebmpapst(依必安派特)風機,型號齊全,大量現貨。
ebmpapst R2E225-AT51-14 變頻器風扇
變頻器底部的大風扇是用來給變頻器的IGBT等大功率原件散熱的,小風扇是用來給CPU板、驅動板、電源板等電子部分散熱。
Ebmpapst離心風機具有極低的噪音水平和高功率密度,它們可以滿足狹小空間及大風量的需求,葉輪是根據空氣動力學和幾何要求設計的。為了獲得更佳效率,除了電壓控制的異步電動機外,還使用了高性能的Green Tech EC電動機。兩種驅動器類型均可在整個功率范圍內使用。
風機問題在線解答:
R3G355-RB03-10
R2E133-BH66-05
R3G133-RA01-03
R2E133-BH66-07
R3G133-AE07-02
R2S175-AB56-01
R2E175-AC77-05
R2E180-AS77-05
R2E190-RA26-05
R2E190-AO26-05
R3G190-RD45-03
R3G190-RC05-03
R3G190-RB01-01
R2E220-RA38-01
北京恒瑞宏晟機電設備有限公司是一家從事風機及工控產品銷售的企業,主要提供通風散熱產品和工控系統配件,產品廣泛應用于通風、空調、制冷、供暖、電氣自動化、變頻器、軌道交通、HVAC(FFU/AHU)、空氣凈化、風電發電、工業醫療、新能源汽車等多個行業。風機型號齊全,全新原裝,現貨庫存,期待您咨詢采購!