
- 產品簡介
- 產品性能
- 應用范圍
R2E250-AL05-16 德國ebmpapst 散熱風扇 230V風機
類型 離心風扇
品牌 ebmpapst
型號 R2E250-AL05-16
電機功率 295(w)
電壓 230(V)
電流 1.3(A)
適用范圍 風力發電
風葉直徑 250mm
轉速 3000(r/min)
德國ebmpapst R2E250-AL05-16離心風機實拍圖



風機配件選擇:

????北京恒瑞宏晟機電設備有限公司經營離心風機、軸流風扇、貫流風扇、變頻器風扇數十年,產品匯聚世界風機風扇品牌,長期供應德國ebmpapst(依必安派特)風機,型號齊全,大量現貨,全新原裝,歡迎垂詢!
R2E250-AL05-16 德國ebmpapst 散熱風扇 230V風機

類型 離心風扇
品牌 ebmpapst
型號 R2E250-AL05-16
電機功率 295(w)
電壓 230(V)
電流 1.3(A)
適用范圍 風力發電
風葉直徑 250mm
轉速 3000(r/min)
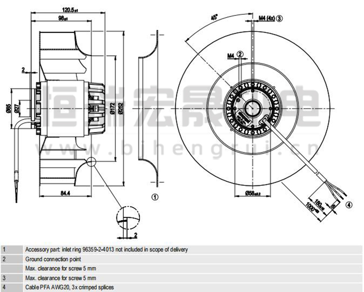
德國ebmpapst R2E250-AL05-16風機規格圖


德國ebmpapst R2E250-AL05-16風機曲線圖

北京恒瑞宏晟機電設備有限公司經營離心風機、軸流風扇、貫流風扇、變頻器風扇數十年,產品匯聚世界風機風扇品牌,長期供應德國ebmpapst(依必安派特)風機,型號齊全,大量現貨,全新原裝,歡迎垂詢!
ebmpapst 風力發電 機柜散熱風扇 R2E250-AL05-16
風力發電可分為陸上風力發電和海上風力發電,風電機組是風力發電的重要組成部分。它設置在空間有限的風電艙室內,其工作過程中會產生大量熱量。為保證風電機組的正常運行,則需要風機將這些工作熱量及時疏散。
經過氣流的正壓導入,及在機組內的分流,風機對機組內各部件進行降溫,提高了降溫的效率和效果。風電機組艙室空間有限,風機結構緊湊,安裝便利;高防塵防水等級為風電機組的正常運行提供保障。

機柜一般分為服務器機柜、網絡機柜以及控制臺機柜等。在柜內溫度高于環境溫度時,風扇會有很大的作用。由于熱空氣比冷空氣輕,柜內空氣流向應當是由下往上,因此通常情況下,應在柜體的前門或者側壁板的下方作為進氣口,上方作為排氣口。
![]() |
R1G225-AF11-30
R2D140-AC02-14
R2D160-AC02-13
R2D180-AL10-18
R2D190-AC08-09
R2D190-AC08-10
R2D220-AB02-10
R2D225-AV02-12
R2D225-AV02-15
R2D250-AM20-09
R2D270-AB12-09
R2E250-AL05-16
R2E250-AS47-09
R2E250-RA50-01
R2E250-RB06-01
R2E250-RC08-01
R2E270-AA01-05
R2E280-AE52-05
R2E280-AE52-17
R2S133-AE17-43
R2S175-AA07-39
北京恒瑞宏晟機電設備有限公司是一家從事風機及工控產品銷售的企業,主要提供通風散熱產品和工控系統配件,產品廣泛應用于通風、空調、制冷、供暖、電氣自動化、變頻器、軌道交通、HVAC(FFU/AHU)、空氣凈化、風電發電、工業醫療、新能源汽車等多個行業。風機型號齊全,全新原裝,現貨庫存,期待您咨詢采購!










