.png)
- 產品簡介
- 產品性能
- 應用范圍
R4E250-BA09-03 風機為后向離心風機,帶向后彎曲葉片的 ebm-papst 離心風扇主要用于吸入。由于大部分壓力積聚發生在葉輪中,因此通常不需要滾動殼體。離心風扇具有非常好的液壓效率和低噪音水平,非常適合高壓。 除了節能之外,集成控制電子還可以實現控制、監測和維護功能。
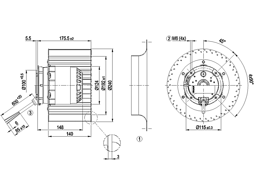
德國ebmpapst R4E250-BA09-03離心風機結構圖:
.png)
德國ebmpapst R4E250-BA09-03離心風機曲線圖:
.png)
北京恒瑞宏晟機電設備有限公司經營離心風機、軸流風扇、貫流風扇、變頻器風扇數十年,產品匯聚世界風機風扇品牌,長期供應德國ebmpapst(依必安派特)風機,型號齊全,大量現貨,全新原裝,歡迎垂詢!
德國ebmpapst R4E250-BA09-03離心風機參數
類型 離心風扇
品牌 ebmpapst
型號 R6D500-AK03-01
電機功率 570(w)
電壓 230(V)
電流 2.48(A)
風葉直徑 250MM
轉速 1310(r/min)
德國ebmpapst R4E250-BA09-03離心風機結構圖:
.png)
德國ebmpapst R4E250-BA09-03離心風機曲線圖:
.png)
北京恒瑞宏晟機電設備有限公司經營離心風機、軸流風扇、貫流風扇、變頻器風扇數十年,產品匯聚世界風機風扇品牌,長期供應德國ebmpapst(依必安派特)風機,型號齊全,大量現貨,全新原裝,歡迎垂詢!
R4E250-BA09-03 ebmpapst 離心風機 散熱風扇
北京恒瑞宏晟機電設備有限公司是一家從事風機及工控產品銷售的企業,主要提供通風散熱產品和工控系統配件,產品廣泛應用于通風、空調、制冷、供暖、電氣自動化、變頻器、軌道交通、HVAC(FFU/AHU)、空氣凈化、風電發電、工業醫療、新能源汽車等多個行業。
風機問題在線解答:
1、怎樣選擇風機?
2、怎樣延長風機使用壽命?
3、風機工作原理?
更多風機技術問題請聯系客服?
其他熱門型號推薦:
R4D355-RB10-01
R2E150-AN91-01
R2E150-AN91-05
R2E160-BG34-01
R2E180-AH05-06
R2E180-CF91-05
R2E180-CG82-01
R2E180-CG82-05
R2E210-AA34-05
R3G355-RB03-10
R2E133-BH66-05
R3G133-RA01-03
R2E133-BH66-07
R3G133-AE07-02
R2S175-AB56-01
R2E175-AC77-05
R2E180-AS77-05
R2E190-RA26-05
R2E190-AO26-05
R3G190-RD45-03
R3G190-RC05-03
R3G190-RB01-01
R2E220-RA38-01
北京恒瑞宏晟機電設備有限公司專業提供變頻器、軌道交通、空氣凈化、新能源汽車等領域的通風散熱制冷配件,風機型號齊全,全新原裝,現貨庫存,期待您咨詢采購!