
- 產品簡介
- 產品性能
- 應用范圍
R3G470-AB05-24 ebmpapst FFU凈化處理單元風機
品牌: ebmpapst
類型: 離心風機
型號: R3G470-AB05-24
頻率: 50/60Hz
電機功率:350(w)
電壓: 200~240(V)
電流: 1.55(A)
轉速: 1440(r/min)
防護等級:IP20
德國ebmpapst R3G470-AB05-24離心風機實拍圖



北京恒瑞宏晟機電設備有限公司經營離心風機、軸流風扇、貫流風扇、變頻器風扇數十年,產品匯聚世界風機風扇品牌,長期供應德國ebmpapst(依必安派特)風機,型號齊全,大量現貨,全新原裝,歡迎垂詢!
ebmpapst FFU凈化處理單元風扇 R3G470-AB05-24
品牌: ebmpapst
類型: 離心風機
型號: R3G470-AB05-24
頻率: 50/60Hz
電機功率:350(w)
電壓: 200~240(V)
電流: 1.55(A)
轉速: 1440(r/min)
防護等級:IP20
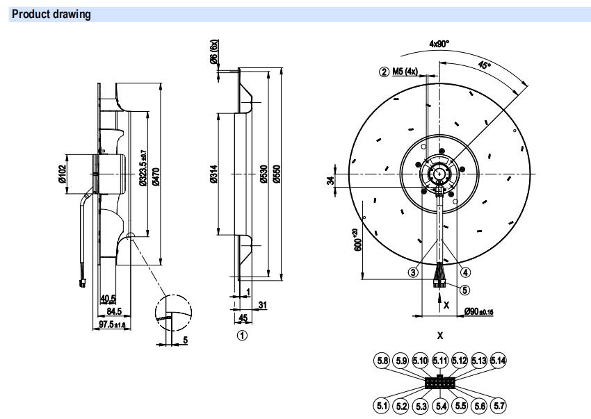
德國ebmpapst R3G470-AB05-24離心風機結構圖
德國ebmpapst R3G470-AB05-24離心風機曲線圖
R3G470-AB05-24 ebmpapst FFU凈化處理單元風扇
風機過濾機組(FFU)廣泛用于潔凈室、潔凈工作臺、潔凈生產線、組裝式潔凈室。如半導體電子元件生產、光學行業、生物工業等領域。
FFU系列的風機產品特征:
效率高,大風量,低噪聲,更安靜;
單機控制、群組控制,實時監控,工業通用RS485通訊;
通用性強,結構安裝/維護簡便,高可靠性,性能全面保護。


風機問題在線解答:
R3G355-RB03-10
R2E133-BH66-05
R3G133-RA01-03
R2E133-BH66-07
R3G133-AE07-02
R2S175-AB56-01
R2E175-AC77-05
R2E180-AS77-05
R2E190-RA26-05
R2E190-AO26-05
R3G190-RD45-03
R3G190-RC05-03
R3G190-RB01-01
R2E220-RA38-01
北京恒瑞宏晟機電設備有限公司是一家從事風機及工控產品銷售的企業,主要提供通風散熱產品和工控系統配件,產品廣泛應用于通風、空調、制冷、供暖、電氣自動化、變頻器、軌道交通、HVAC(FFU/AHU)、空氣凈化、風電發電、工業醫療、新能源汽車等多個行業。風機型號齊全,全新原裝,現貨庫存,期待您咨詢采購!