
- 產品簡介
- 產品性能
- 應用范圍

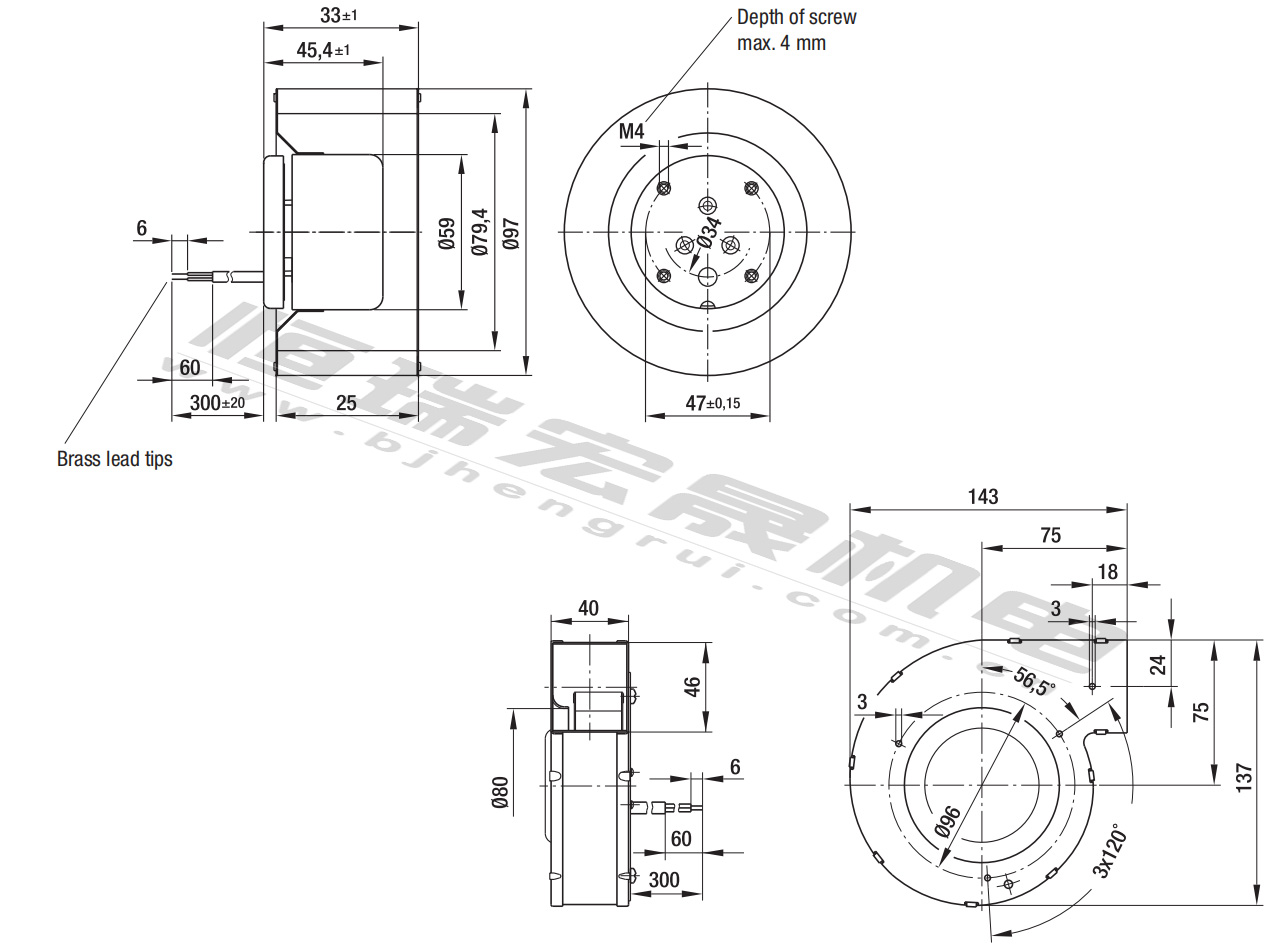
德國ebm全新G1G097緊湊型風機曲線圖

北京恒瑞宏晟將以熱情、快捷、高效的服務為您提供更優質的風機風扇,歡迎來電咨詢!

ebmpapst風機產品廣泛應用于通風、空調、制冷、家電、供暖、汽車、驅動技術等多個行業。Ebmpapst風機具有很高的產品性能,風機結構緊湊,節能并且噪音低
北京恒瑞宏晟將以熱情、快捷、高效的服務為您提供更優質的風機風扇,歡迎來電咨詢!
ebmpapst風機產品廣泛應用于通風、空調、制冷、家電、供暖、汽車、驅動技術等多個行業。Ebmpapst風機具有很高的產品性能,風機結構緊湊,節能并且噪音低
北京恒瑞宏晟將以熱情、快捷、高效的服務為您提供更優質的風機風扇,歡迎來電咨詢!
以下部分型號長期優惠供應:
G1G085-AB05-01風量:95m³/h 電壓:24v 電流:0.64A 功率:14W 轉速:2850r/min
G1G085-AB07-01風量:95m³/h 電壓:48v 電流:0.32A 功率:14W 轉速:2850r/min
R1G108-AB17-02風量:200m³/h 電壓:24v 電流:2A 功率:42W 轉速:3000r/min
G1G108-AB17-02風量:200m³/h 電壓:24v 電流: 2A 功率:42W 轉速:3000r/min
R1G108-AB41-02風量:200m³/h 電壓:48v 電流:1 A 功率:42W 轉速:3000r/min
G1G108-AB41-02風量:200m³/h 電壓:48v 電流:1A 功率:42W 轉速:3000r/min
R1G133-AE19-02風量:225m³/h 電壓:24v 電流:2.2A 功率:40W 轉速:2000r/min
G1G133-DE19-02風量:225m³/h 電壓:24v 電流:2.2A 功率:40W 轉速:2000r/min
更多型號請咨詢客服,北京恒瑞宏晟專業風機十二年,海量庫存,型號齊全,一站式采購基地,歡迎咨詢!









