- 產品簡介
- 產品性能
- 應用范圍
414JHH ebmpapst 直流風扇 4025 變頻器風機
類型 直流風扇
品牌 ebmpapst
型號 414JHH
電機功率 3.6(w)
電壓 24(V)
電流 0.15(A)
風葉直徑 40*40*25mm
轉速 9600(r/min)
德國ebmpapst 414JHH軸流風機實拍圖



風機配件選擇:

????北京恒瑞宏晟機電設備有限公司經營離心風機、軸流風扇、貫流風扇、變頻器風扇數十年,產品匯聚世界風機風扇品牌,長期供應德國ebmpapst(依必安派特)風機,型號齊全,大量現貨,全新原裝,歡迎垂詢!
德國ebmpapst 414JHH 變頻器風扇
類型 直流風扇
品牌 ebmpapst
型號 414JHH
電機功率 3.6(w)
電壓 24(V)
電流 0.15(A)
風葉直徑 40*40*25mm
轉速 9600(r/min)
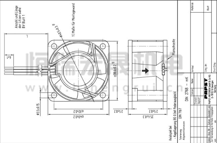
德國ebmpapst 414JHH風機結構圖

ebmpapst 變頻器風機 414JHH
變頻器底部的大風扇是用來給變頻器的IGBT等大功率原件散熱的,小風扇是用來給CPU板、驅動板、電源板等電子部分散熱。Ebmpapst離心風機具有極低的噪音水平和高功率密度,它們可以滿足狹小空間及大風量的需求,葉輪是根據空氣動力學和幾何要求設計的。為了獲得更佳效率,除了電壓控制的異步電動機外,還使用了高性能的Green Tech EC電動機。兩種驅動器類型均可在整個功率范圍內使用。

風機問題在線解答:
4624N
4650N
4650N-465
4650Z
4656EZ
4656N
4656Z
4656ZH
4850N
4856Z
5114N
514F
5656S
612F
612NGH
612NGHH
612NHH-118
612NHHR
614F
614N/2GHH-248
614N/2HH
614NGHH
614NGM
614NGN
614NHH
614NHHR
6224N
6224N/2
6224NTD
北京恒瑞宏晟機電設備有限公司是一家從事風機及工控產品銷售的企業,主要提供通風散熱產品和工控系統配件,產品廣泛應用于通風、空調、制冷、供暖、電氣自動化、變頻器、軌道交通、HVAC(FFU/AHU)、空氣凈化、風電發電、工業醫療、新能源汽車等多個行業。風機型號齊全,全新原裝,現貨庫存,期待您咨詢采購!










