- 產品簡介
- 產品性能
- 應用范圍
614NGM風機為緊湊型風機,ebmpapst適用于大風量、中壓頭的應用。空氣平行于旋轉軸流過葉輪。我們的AC和DC緊湊型風機型號廣泛,尺寸覆蓋 25mm到280mm ,得益于集成式電機的設計理念,風機整體結構非常緊湊。ebmpapst的對角線緊湊型風扇的操作點位于更高的壓力范圍內。新的對角線緊湊型風扇提供更大的壓力與顯著更高的氣流。這使得它們成為緊密間隔組件中冷卻密集型應用的完美技術。
德國ebmpapst 614NGM軸流風機實拍圖
????北京恒瑞宏晟機電設備有限公司經營離心風機、軸流風扇、貫流風扇、變頻器風扇數十年,產品匯聚世界風機風扇品牌,長期供應德國ebmpapst(依必安派特)風機,型號齊全,大量現貨,全新原裝,歡迎垂詢!
德國ebmpapst 614NGM軸流風機參數
類型 軸流風扇
品牌 ebmpapst
型號 614NGM
電機功率 1.7(w)
電壓 24(V)
電流 0.07(A)
風葉直徑 60*60*25mm
轉速 4100(r/min)
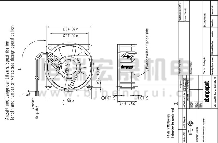
德國ebmpapst 614NGM風機結構圖

ebmpapst 614NGM 6025風扇24V
北京恒瑞宏晟機電設備有限公司是一家從事風機及工控產品銷售的企業,主要提供通風散熱產品和工控系統配件,產品廣泛應用于通風、空調、制冷、供暖、電氣自動化、變頻器、軌道交通、HVAC(FFU/AHU)、空氣凈化、風電發電、工業醫療、新能源汽車等多個行業。
風機問題在線解答:
4624N
4650N
4650N-465
4650Z
4656EZ
4656N
4656Z
4656ZH
4850N
4856Z
5114N
514F
5656S
612F
612NGH
612NGHH
612NHH-118
612NHHR
614F
614N/2GHH-248
614N/2HH
614NGHH
614NGM
614NGN
614NHH
614NHHR
6224N
6224N/2
6224NTD
北京恒瑞宏晟機電設備有限公司專業提供變頻器、軌道交通、空氣凈化、新能源汽車等領域的通風散熱制冷配件,風機型號齊全,全新原裝,現貨庫存,期待您咨詢采購!