
- 產品簡介
- 產品性能
- 應用范圍
ebmpapst風機 612NGME 電子設備 機箱機柜風扇
類型 直流風扇
品牌 ebmpapst
型號 612NGME
電機功率 1.2(w)
電壓 12(V)
電流 0.1(A)
風量 32(m3/h)
風葉直徑 60*60*25mm
轉速 4100(r/min)
德國ebmpapst 612NGME軸流風機實拍圖
風機配件選擇:
????北京恒瑞宏晟機電設備有限公司經營離心風機、軸流風扇、貫流風扇、變頻器風扇數十年,產品匯聚世界風機風扇品牌,長期供應德國ebmpapst(依必安派特)風機,型號齊全,大量現貨,全新原裝,歡迎垂詢!
612NGME ebmpapst 電子設備 機箱機柜風扇
類型 直流風扇
品牌 ebmpapst
型號 612NGME
電機功率 1.2(w)
電壓 12(V)
電流 0.1(A)
風量 32(m3/h)
風葉直徑 60*60*25mm
轉速 4100(r/min)
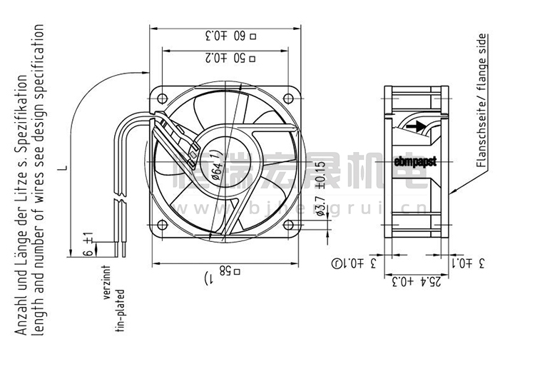
德國ebmpapst 612NGME風機結構圖

全新原裝 ebmpapst 電子設備 機箱機柜風扇 612NGME
機柜一般分為服務器機柜、網絡機柜以及控制臺機柜等。在柜內溫度高于環境溫度時,風扇會有很大的作用。由于熱空氣比冷空氣輕,柜內空氣流向應當是由下往上,因此通常情況下,應在柜體的前門或者側壁板的下方作為進氣口,上方作為排氣口。
風機問題在線解答:
4624N
4650N
4650N-465
4650Z
4656EZ
4656N
4656Z
4656ZH
4850N
4856Z
5114N
514F
5656S
612F
612NGH
612NGHH
612NHH-118
612NHHR
614F
614N/2GHH-248
614N/2HH
614NGHH
614NGM
614NGN
614NHH
614NHHR
6224N
6224N/2
6224NTD
北京恒瑞宏晟機電設備有限公司專業提供變頻器、軌道交通、空氣凈化、新能源汽車等領域的通風散熱制冷配件,風機型號齊全,全新原裝,現貨庫存,期待您咨詢采購!