- 產品簡介
- 產品性能
- 應用范圍
4656ZH 德國ebmpapst 控制柜風機12038風扇
類型 軸流風扇
品牌 ebmpapst
型號 4656ZH
電機功率 19(w)
電壓 230(V)
電流 0.12(A)
風葉直徑 119*119*38mm
轉速 2650(r/min)
德國ebmpapst 4656ZH軸流風機實拍圖


風機配件選擇:

????北京恒瑞宏晟機電設備有限公司經營離心風機、軸流風扇、貫流風扇、變頻器風扇數十年,產品匯聚世界風機風扇品牌,長期供應德國ebmpapst(依必安派特)風機,型號齊全,大量現貨,全新原裝,歡迎垂詢!
ebmpapst 12038風扇 4656ZH 軸流風機
類型 軸流風扇
品牌 ebmpapst
型號 4656ZH
電機功率 19(w)
電壓 230(V)
電流 0.12(A)
風葉直徑 119*119*38mm
轉速 2650(r/min)
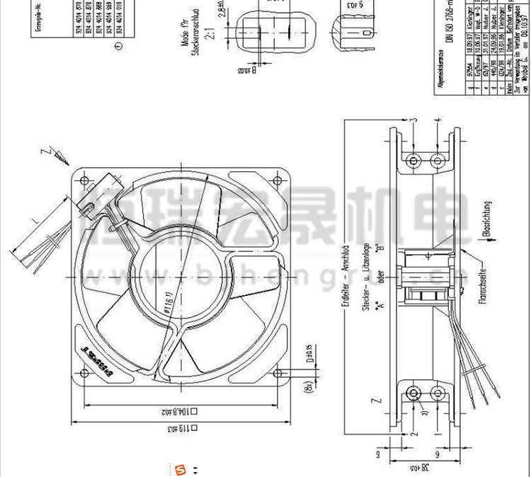
德國ebmpapst 4656ZH風機結構圖

ebmpapst 控制柜風扇 4656ZH 12038風扇230V
機柜一般分為服務器機柜、網絡機柜以及控制臺機柜等。在柜內溫度高于環境溫度時,風扇會有很大的作用。由于熱空氣比冷空氣輕,柜內空氣流向應當是由下往上,因此通常情況下,應在柜體的前門或者側壁板的下方作為進氣口,上方作為排氣口。

風機問題在線解答:
4624N
4650N
4650N-465
4650Z
4656EZ
4656N
4656Z
4656ZH
4850N
4856Z
5114N
514F
5656S
612F
612NGH
612NGHH
612NHH-118
612NHHR
614F
614N/2GHH-248
614N/2HH
614NGHH
614NGM
614NGN
614NHH
614NHHR
6224N
6224N/2
6224NTD
北京恒瑞宏晟機電設備有限公司是一家從事風機及工控產品銷售的企業,主要提供通風散熱產品和工控系統配件,產品廣泛應用于通風、空調、制冷、供暖、電氣自動化、變頻器、軌道交通、HVAC(FFU/AHU)、空氣凈化、風電發電、工業醫療、新能源汽車等多個行業。風機型號齊全,全新原裝,現貨庫存,期待您咨詢采購!










