
- 產品簡介
- 產品性能
- 應用范圍
A2E170-AF23-01 ebmpapst 電機風扇 風機說明
類型 軸流風扇
品牌 德國ebmpapst
型號 A2E170-AF23-01
電機功率 47(w)
電壓 230(V)
電流 0.23(A)
風葉直徑 170mm
轉速 2700(r/min)
德國ebmpapst A2E170-AF23-01軸流風機實拍圖



風機配件選擇:

????北京恒瑞宏晟機電設備有限公司經營離心風機、軸流風扇、貫流風扇、變頻器風扇數十年,產品匯聚世界風機風扇品牌,長期供應德國ebmpapst(依必安派特)風機,型號齊全,大量現貨,全新原裝,歡迎垂詢!
ebmpapst A2E170-AF23-01 軸流風機
類型 軸流風扇
品牌 德國ebmpapst
型號 A2E170-AF23-01
電機功率 47(w)
電壓 230(V)
電流 0.23(A)
風葉直徑 170mm
轉速 2700(r/min)
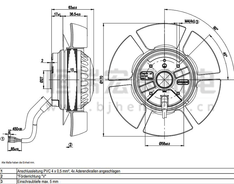
德國ebmpapst A2E170-AF23-01風機結構圖

A2E170-AF23-01 ebmpapst 電機風扇230v
A2D160-AA22-05
A2D160-AB22-06
A2D170-AA04-01
A2D170-AA04-02
A2D200-AA02-02
A2D200-AH18-01
A2D210-AA10-17
A2D210-AB10-05
A2D250-AA02-01
A2D250-AA02-02
A2D250-AA06-84
A2D250-AA26-51
A2D250-AA26-80
A2D250-AD26-05
A2D300-AD20-49
A2E170-AF23-01
A2E170-AF25-12
A2E200-AF02-01
A2E200-AH38-01
A2E250-AE65-01
A2E250-AE65-02
A2E250-AM06-01
A2S130-AA03-01
A2S130-AA03-39
A2S130-AB03-11
A4D350-AP08-16
A4E300-AS72-52
北京恒瑞宏晟機電設備有限公司是一家從事風機及工控產品銷售的企業,主要提供通風散熱產品和工控系統配件,產品廣泛應用于通風、空調、制冷、供暖、電氣自動化、變頻器、軌道交通、HVAC(FFU/AHU)、空氣凈化、風電發電、工業醫療、新能源汽車等多個行業。風機型號齊全,全新原裝,現貨庫存,期待您咨詢采購!










