- 產品簡介
- 產品性能
- 應用范圍
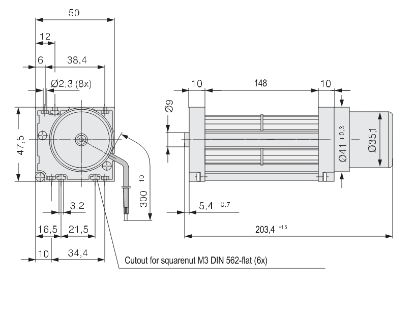
德國ebmpapst原裝QG030-148/12風機的規格圖
.png)
德國ebm全新QG030-148/12橫流風機曲線圖

ebmpapst依必安派特授權代理商,多款風機有售,全新原裝,價格公道,歡迎點擊?恒瑞宏晟
北京恒瑞宏晟低價供應QG030-148/12橫流風機,適用于通風散熱制冷行業
ebmpapst風機已廣泛應用到農業、空調通風、家電、汽車、商用制冷、供暖、工業、照明、IT/電信、醫療、交通等行業,該品牌風機結構緊湊,功能性強,低耗低噪,風機類型齊全,能滿足廣大客戶的需求。
以下部分型號長期優惠供應:
QG030-148/12風量:75m³/h 電壓:12v 電流:5.7A 功率:6.2W
QG030-198/12風量:100m³/h 電壓:12v 電流:5.8A 功率:8.0W
QG030-303/12風量:140m³/h 電壓:12v 電流:5.8A 功率:8.7W
QG030-353/12風量:155m³/h 電壓:12v 電流:5.9A 功率:9.6W
QG030-148/14風量:75m³/h 電壓:24v 電流:5.7A 功率:6.2W
QG030-198/14風量:100m³/h 電壓:24v 電流:5.8A 功率:8.0W
QG030-303/14風量:140m³/h 電壓:24v 電流:5.8A 功率:8.7W
QG030-353/14風量:155m³/h 電壓:24v 電流:5.9A 功率:9.6W
更多型號請聯系客服,北京恒瑞宏晟長期優惠供應,型號齊全,歡迎選購

.png)
.png)








