
- 產品簡介
- 產品性能
- 應用范圍
R3G500-AG25-01 ebmpapst 精密空調風扇
品牌: ebmpapst
類型: 離心風扇
型號: R3G500-AG25-01
頻率: 50/60Hz
電壓: 3~400(V)
功率 : 2500(W)
電流: 3.9(A)
轉速 : 1700(r/min)
適用范圍: 精密空調
風量: 10960(m3/h)
風葉直徑: 500mm
德國ebmpapst R3G500-AG25-01離心風機實拍圖



風機配件選擇:

????北京恒瑞宏晟機電設備有限公司經營離心風機、軸流風扇、貫流風扇、變頻器風扇數十年,產品匯聚世界風機風扇品牌,長期供應德國ebmpapst(依必安派特)風機,型號齊全,大量現貨,全新原裝,歡迎垂詢!
德國ebmpapst R3G500-AG25-01離心風機參數
品牌: ebmpapst
類型: 離心風扇
型號: R3G500-AG25-01
頻率: 50/60Hz
電壓: 3~400(V)
功率 : 2500(W)
電流: 3.9(A)
轉速 : 1700(r/min)
適用范圍: 精密空調
風量: 10960(m3/h)
風葉直徑: 500mm
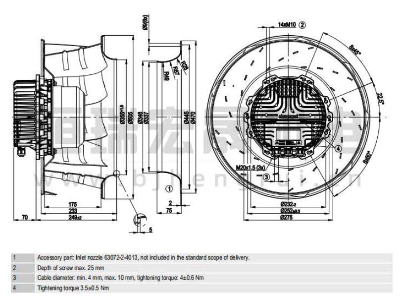
德國ebmpapst R3G500-AG25-01風機結構圖

德國ebmpapst R3G500-AG25-01風機曲線圖

德國ebmpapst風扇R3G500-AG25-01 應用于機房空調 潔凈通風等行業
機房精密空調需將環境的溫度濕度嚴格控制在特定范圍。應用于大型數據中心、計算機機房、程序交換機機房、衛星移動通訊站、大型醫療設備室.實驗室.精密電子儀器生產車間等高精密環境。


風機問題在線解答:
1、怎樣實現風機調速?
2、怎樣安裝風機接線?
3、怎樣延長風機使用壽命?
更多風機技術問題請聯系客服?
其他熱門型號推薦:
S6E450-AF08-29/F04
K3G450-AZ30-01
K3G560-PB31-03
R3G310-AZ88-01
R3G400-AK53-05
R3G595-AB23-08
R3G630-RB32-03
R3G630-RB32-71
R3G500-RA28-03
R3G560-RA24-03
A6D800-AD01-01
R3G355-RG56-01
W4D500-GM03-10
R3G500-AQ33-01
R3G500-AG25-01
R3G560-AH32-61
北京恒瑞宏晟機電設備有限公司專業提供變頻器、軌道交通、空氣凈化、新能源汽車等領域的通風散熱制冷配件,風機型號齊全,全新原裝,現貨庫存,期待您咨詢采購!









