
- 產品簡介
- 產品性能
- 應用范圍
ebmpapst K3G710-PV05-01 EC離心風機
類型 EC離心風扇
品牌 ebmpapst
型號 K3G710-PV05-01
電機功率 7050(w)
電壓 400(V)
風葉直徑 710mm
轉速 1430(r/min)
風量 30565(m³/h)
德國ebmpapst K3G710-PV05-01 EC離心風機實拍圖


北京恒瑞宏晟機電設備有限公司經營離心風機、軸流風扇、貫流風扇、變頻器風扇數十年,產品匯聚世界風機風扇品牌,長期供應德國ebmpapst(依必安派特)風機,型號齊全,大量現貨,全新原裝,歡迎垂詢!
ebmpapst K3G710-PV05-01 EC離心風機 AHU風扇
類型 EC離心風扇
品牌 ebmpapst
型號 K3G710-PV05-01
電機功率 7050(w)
電壓 400(V)
風葉直徑 710mm
轉速 1430(r/min)
風量 30565(m³/h)
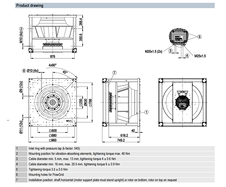
德國ebmpapst K3G710-PV05-01 EC離心風機結構風量圖




北京恒瑞宏晟機電設備有限公司經營離心風機、軸流風扇、貫流風扇、變頻器風扇數十年,產品匯聚世界風機風扇品牌,長期供應德國ebmpapst(依必安派特)風機,型號齊全,大量現貨,全新原裝,歡迎垂詢!
德國ebmpapst K3G710-PV05-01 EC離心風機
北京恒瑞宏晟機電設備有限公司是一家從事風機及工控產品銷售的企業,主要提供通風散熱產品和工控系統配件,產品廣泛應用于通風、空調、制冷、供暖、電氣自動化、變頻器、軌道交通、HVAC(FFU/AHU)、空氣凈化、風電發電、工業醫療、新能源汽車等多個行業。風機型號齊全,全新原裝,現貨庫存,期待您咨詢采購!
風機問題在線解答:
1、怎樣安裝風力發電風機?
2、風機安裝過程中需要注意哪些問題?
3、怎樣延長風機使用壽命?
更多風機技術問題請聯系客服?
K3G450-PA31-65
K3G500-PB24-65
K3G560-PB31-65
K3G097-AK34-43
K3G097-AK34-65
K3G250-RR03-H4
K3G250-RR17-H9
K3G280-AU11-C3
K3G280-RR03-H4
K3G280-RR04-H9
K3G310-AV69-05
K3G355-PV70-01
K3G355-PI93-02
K3G500-PC16-L1
K3G450-PB29-N1
K3G450-PB29-N1
K3G560-PC10-N1
R3G225-RE09-08
K3G560-PC10-L1
K3G630-PC04-L1
R3G560-RA24-03
R3G400-RJ75-01
K3G560-PB31-03
北京恒瑞宏晟機電設備有限公司是一家從事風機及工控產品銷售的企業,主要提供通風散熱產品和工控系統配件,產品廣泛應用于通風、空調、制冷、供暖、電氣自動化、變頻器、軌道交通、HVAC(FFU/AHU)、空氣凈化、風電發電、工業醫療、新能源汽車等多個行業。風機型號齊全,全新原裝,現貨庫存,期待您咨詢采購!









