
- 產品簡介
- 產品性能
- 應用范圍
.jpg)
.jpg)
庫存狀態:現貨
.jpg)
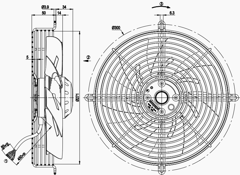
北京恒瑞宏晟優惠供應S4D250-AH22-01軸流風機,適用于通風散熱制冷行業
北京恒瑞宏晟機電設備有限公司專業提供變頻器、軌道交通、空氣凈化、新能源汽車等領域的通風散熱制冷配件,長期供應德國ebmpapst(依必安派特)風機,價格具有很強的競爭力,風機全新原裝,期待您咨詢采購!
以下部分型號長期優惠供應:
S1G200-CA95-02
S1G300-CA19-02
S1G300-CA23-02
S2D300-AP02-50
S2E300-AP02-50
S3G300-AK13-32
S3G300-AL11-32
S3G300-AL11-50
S3G350-AG03-32
S3G400-LC22-59
更多型號請咨詢客服,北京恒瑞宏晟專業風機十二年,海量庫存,型號齊全,一站式采購基地,歡迎咨詢!









