
- 產品簡介
- 產品性能
- 應用范圍
W2G115-AG71-12 風機為軸流風機,軸流風機的突出特點是安裝深度淺、噪音低、效率高,特別適合通過熱交換器輸送空氣。此外,結合GreenTech EC EC技術,還提供了一種在各種應用中都能節能的智能技術。產品提供了更高的效率,緊湊的設計,更安靜的運行以及更長的使用壽命。
德國ebmpapst W2G115-AG71-12軸流風機實拍圖



????北京恒瑞宏晟機電設備有限公司經營離心風機、軸流風扇、貫流風扇、變頻器風扇數十年,產品匯聚世界風機風扇品牌,長期供應德國ebmpapst(依必安派特)風機,型號齊全,大量現貨,全新原裝,歡迎垂詢!
德國ebmpapst W2G115-AG71-12軸流風機參數
類型 軸流風扇
品牌 ebmpapst
型號 W2G115-AG71-12
電機功率 12(w)
電壓 24(V)
適用范圍 通用
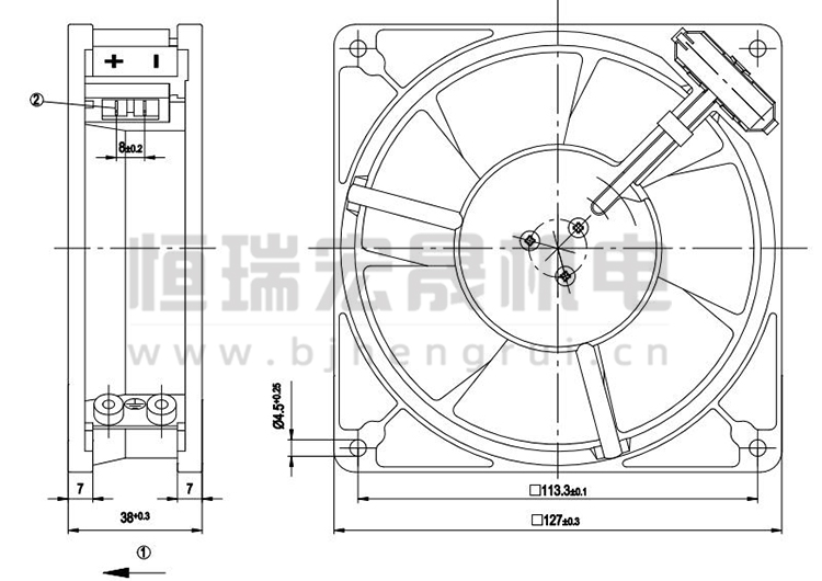
風葉直徑 127*127*38mm
轉速 4050(r/min)
德國ebmpapst W2G115-AG71-12風機規格圖

北京恒瑞宏晟機電設備有限公司經營離心風機、軸流風扇、貫流風扇、變頻器風扇數十年,產品匯聚世界風機風扇品牌,長期供應德國ebmpapst(依必安派特)風機,型號齊全,大量現貨。
ebmpapst 散熱風扇 W2G115-AG71-12
北京恒瑞宏晟機電設備有限公司是一家從事風機及工控產品銷售的企業,主要提供通風散熱產品和工控系統配件,產品廣泛應用于通風、空調、制冷、供暖、電氣自動化、變頻器、軌道交通、HVAC(FFU/AHU)、空氣凈化、風電發電、工業醫療、新能源汽車等多個行業。
風機問題在線解答:
W1G180-AB31-01
W1G200-HH77-52
W1G300-EC24-03/AF01
W2D155-EA08-01
W2D160-EB22-12
W2D200-HH04-07
W2D250-ED26-08
W2D250-ED26-12
W2D250-ED26-18
W2D250-GA04-09
W2D250-GA04-15
W2D250-GA08-08
W2D255-EB14-01
W2D255-EB14-14
W2D270-EA32-01
W2D270-EA32-02
W2D300-CP02-31
W2E142-BB01-01
W2E142-BB05-01
W2E143-AA09-01
W2E143-AA09-25
W2E143-AB09-01
W2E143-AB09-01/F01
W2E143-AB09-06
W2E200-HH38-01
W2E200-HK38-01
W2E200-HH38-05
W2E200-HH38-06
北京恒瑞宏晟機電設備有限公司專業提供變頻器、軌道交通、空氣凈化、新能源汽車等領域的通風散熱制冷配件,風機型號齊全,全新原裝,現貨庫存,期待您咨詢采購!









