
- 產品簡介
- 產品性能
- 應用范圍
W2E208-BA20-01 ebmpapst 機柜散熱風扇
類型 軸流風扇
品牌 ebmpapst
型號 W2E208-BA20-01
電機功率 67(w)
電壓 230(V)
電流 0.33(A)
風葉直徑 208mm
轉速 2750(r/min)
德國ebmpapst W2E208-BA20-01軸流風機實拍圖



????北京恒瑞宏晟機電設備有限公司經營離心風機、軸流風扇、貫流風扇、變頻器風扇數十年,產品匯聚世界風機風扇品牌,長期供應德國ebmpapst(依必安派特)風機,型號齊全,大量現貨,全新原裝,歡迎垂詢!
ebmpapst 機柜散熱風扇 W2E208-BA20-01
類型 軸流風扇
品牌 ebmpapst
型號 W2E208-BA20-01
電機功率 67(w)
電壓 230(V)
電流 0.33(A)
風葉直徑 208mm
轉速 2750(r/min)
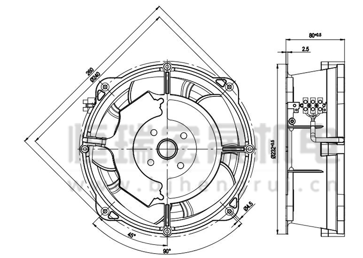
德國ebmpapst W2E208-BA20-01風機規格圖

德國ebmpapst W2S130-AB03-21風機曲線圖

北京恒瑞宏晟機電設備有限公司經營離心風機、軸流風扇、貫流風扇、變頻器風扇數十年,產品匯聚世界風機風扇品牌,長期供應德國ebmpapst(依必安派特)風機,型號齊全,大量現貨。
德國ebmpapst風扇 W2E208-BA20-01 應用于機柜散熱
機柜一般分為服務器機柜、網絡機柜以及控制臺機柜等。在柜內溫度高于環境溫度時,風扇會有很大的作用。由于熱空氣比冷空氣輕,柜內空氣流向應當是由下往上,因此通常情況下,應在柜體的前門或者側壁板的下方作為進氣口,上方作為排氣口。

風機問題在線解答:
1、怎樣選擇機柜風扇配件?
2、怎樣安裝機柜風機?
3、怎樣接風機電源線?
更多風機技術問題請聯系客服?
其他熱門型號推薦:
A2S130-AA03-39
D2D133-AB06-08
D2E160-AB01-06/A01
K2E250-AH34-06
K2S165-AA17-05
K2S165-AA77-15
R3G355-AM08-30
W1G180-AB31-01
W2E200-HK38-C01
W2D250-HH02-07
W2S130-AA03-87
W2S130-AB03-21
W2E200-HK86-01
W2E208-BA20-01
W2S130-AA03-90
北京恒瑞宏晟機電設備有限公司專業提供變頻器、軌道交通、空氣凈化、新能源汽車等領域的通風散熱制冷配件,風機型號齊全,全新原裝,現貨庫存,期待您咨詢采購!









