
- 產品簡介
- 產品性能
- 應用范圍
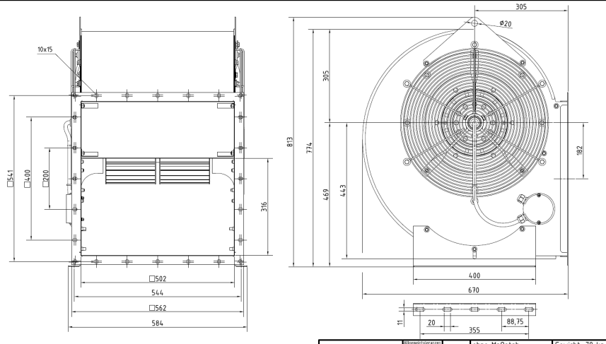
RC-TECHNIK | 型號:RC-DRAD 400-6 S 3~690 V/60 Hz
屬性和特殊功能:
RC-DRAD 400-6 S 3?690 V / 60赫茲
- 物料鼓輪:鍍鋅鋼板
- 材質為螺旋形外殼,電子噴嘴和防護格柵:鍍鋅鋼板,
- 涂塑
- 電機設計:調壓三相外轉子電機
- 帶熱接觸
- 旋轉方向:電纜出口側逆時針
- 防護格柵兩側安裝
- 可用:-各種RAL顏色
-電機防護等級IP54,
-額定電壓400 V / 50 Hz,575 V / 60 Hz
- 發電機和電動機的排氣和供氣風扇
- 適用于熱交換器操作
參數圖如下
品牌:RC-TECHNIK
類型:離心風機
用途:通風散熱制冷,能源技術

.png)
.png)
北京恒瑞宏晟機電設備有限公司是一家從事風機及工控產品銷售的企業,主要提供通風散熱產品和工控系統配件,產品廣泛應用于通風、空調、制冷、供暖、電氣自動化、變頻器、軌道交通、HVAC(FFU/AHU)、空氣凈化、新能源汽車等多個行業。
RC-DRAD 400-6 S 3~690 V/60 Hz離心風機,適用于通風散熱制冷,能源技術行業
德國RC-TECHNIK是一家具有豐富的通風設備行業經驗的專業技術廠家,專注通風技術領域30多年。產品廣泛應用鐵路技術,能源技術,風電行業,空調通風等行業。RC-TECHNIK風機具有很高的產品性能,風機結構緊湊,環保節能,經久耐用,即使在極端的環境下也能高效運轉。
以下部分型號長期優惠供應:
| RC-T G4D 200-CD 04-14 m.Fl.UL |
| RC-T G4D 200-CD 04-14 mLUL |
| RC-T G4D 200-CL 12-15 m.VS.UL |
| RC – R3G 500 EC |
| RC-T DKHM 500-4-4 AM-STD |
| RC-T DKHM 500-4SW-155-6HF |
| RC-T DKE 280-4 |
| RC-T DKE 280-6 |
| RC-T DKE 315-4 |
| RC-T DKE 315-6 |
| RC-T DKE 355-4 |
| RC-T DKE 355-6 |
| RC-T DRAD 315-4 575 V |
| RC-T DRAD 315-4 S 690 V |
| RC-DRAD 400-6-502-575V |
| RC-DRAD 400-6 S 3~690 V/60 Hz |
| RC-DKHR 220-4 |
| RC-DCTLL 200-2 400 V / RC-DCTLL 200-2 500 V |
| RC-DCTLL 250-2 230/400 V |
更多型號請聯系客服,北京恒瑞宏晟長期優惠供應,型號齊全,歡迎選購!









