
- 產品簡介
- 產品性能
- 應用范圍
RC-TECHNIK | 型號:RC-DCTLL 200-2 400 V / RC-DCTLL 200-2 500 V
屬性和特殊功能:
RC-DCTLL 200-2 400伏/ RC-DCTLL 200-2 500伏
北京恒瑞宏晟機電設備有限公司專業提供變頻器、軌道交通、空氣凈化、新能源汽車等領域的通風散熱制冷配件,風機全新原裝,期待您咨詢采購!
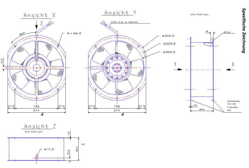
- 雙法蘭外殼中的軸流風扇
- 100%電壓可調
- 外轉子電動機,兩極
- 三相電壓400 V,500 V
- 帶有防護柵欄和電機連接器的版本
- 控制柜和變流器結構中的空氣循環和排氣風扇
- 可根據要求提供特殊設計
北京恒瑞宏晟機電設備有限公司專業提供變頻器、軌道交通、空氣凈化、新能源汽車等領域的通風散熱制冷配件,風機全新原裝,期待您咨詢采購!
參數圖如下
品牌:RC-TECHNIK
類型:軸流風機
用途:通風散熱制冷,能源技術

.png)
.png)
北京恒瑞宏晟機電設備有限公司是一家從事風機及工控產品銷售的企業,主要提供通風散熱產品和工控系統配件,產品廣泛應用于通風、空調、制冷、供暖、電氣自動化、變頻器、軌道交通、HVAC(FFU/AHU)、空氣凈化、新能源汽車等多個行業。
RC-DCTLL 200-2 400 V / RC-DCTLL 200-2 500 V軸流風機,適用于通風散熱制冷,能源技術行業
德國RC-TECHNIK是一家具有豐富的通風設備行業經驗的專業技術廠家,專注通風技術領域30多年。產品廣泛應用鐵路技術,能源技術,風電行業,空調通風等行業。RC-TECHNIK風機具有很高的產品性能,風機結構緊湊,環保節能,經久耐用,即使在極端的環境下也能高效運轉。
以下部分型號長期優惠供應:
| RC-T G4D 200-CD 04-14 m.Fl.UL |
| RC-T G4D 200-CD 04-14 mLUL |
| RC-T G4D 200-CL 12-15 m.VS.UL |
| RC – R3G 500 EC |
| RC-T DKHM 500-4-4 AM-STD |
| RC-T DKHM 500-4SW-155-6HF |
| RC-T DKE 280-4 |
| RC-T DKE 280-6 |
| RC-T DKE 315-4 |
| RC-T DKE 315-6 |
| RC-T DKE 355-4 |
| RC-T DKE 355-6 |
| RC-T DRAD 315-4 575 V |
| RC-T DRAD 315-4 S 690 V |
| RC-DRAD 400-6-502-575V |
| RC-DRAD 400-6 S 3~690 V/60 Hz |
| RC-DKHR 220-4 |
| RC-DCTLL 200-2 400 V / RC-DCTLL 200-2 500 V |
| RC-DCTLL 250-2 230/400 V |
更多型號請聯系客服,北京恒瑞宏晟長期優惠供應,型號齊全,歡迎選購!









