
- 產品簡介
- 產品性能
- 應用范圍
R3G280-AU11-C1 ebmpapst 軌道交通風扇
類型 離心風扇
品牌 ebm-papst
型號 R3G280-AU11-C1
電機功率 1000(w)
電壓 400(V)
電流 1.6(A)
適用范圍 -25~60°C
風葉直徑 280mm
轉速 3100(r/min)
德國ebmpapst R3G280-AU11-C1軸流風機實拍圖



風機配件選擇:

????北京恒瑞宏晟機電設備有限公司經營離心風機、軸流風扇、貫流風扇、變頻器風扇數十年,產品匯聚世界風機風扇品牌,長期供應德國ebmpapst(依必安派特)風機,型號齊全,大量現貨,全新原裝,歡迎垂詢!
ebmpapst 逆變器 軌道交通風扇 R3G280-AU11-C1
類型 離心風扇
品牌 ebm-papst
型號 R3G280-AU11-C1
電機功率 1000(w)
電壓 400(V)
電流 1.6(A)
適用范圍 -25~60°C
風葉直徑 280mm
轉速 3100(r/min)
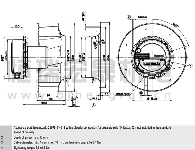
德國ebmpapst R3G280-AU11-C1風機規格圖

德國ebmpapst R3G280-AU11-C1風機曲線圖

北京恒瑞宏晟機電設備有限公司經營離心風機、軸流風扇、貫流風扇、變頻器風扇數十年,產品匯聚世界風機風扇品牌,長期供應德國ebmpapst(依必安派特)風機,型號齊全,大量現貨。
ebmpapst R3G280-AU11-C1 交通軌道 逆變器風扇
軌道交通風機擁有AC和EC電機以其優異的性能、高動態和速度精準,節能和節省空間的設計,在高靜壓下擁有恒定的表現、低噪音和使用壽命長,因此在現代交通技術中得到廣泛的應用。它們可用于門窗控制、調節開關和信號、客艙空調和冷卻設備部件。

風機問題在線解答:
1、怎樣選擇軌道交通風機?
2、怎樣延長軌道交通風機使用壽命?
3、軌道交通風機工作原理?
更多風機技術問題請聯系客服?
其他熱門型號推薦:
7210N-181
RLF100-11/14/19
S2D170-BA04-06
S2D250-BI02-01
S2D200-BH18-01
K3G310-AV69-05
RLF100-11/14
W3G300-BV24-81
RH35C-PDD.6K.1R
RG160-28/18NU
R3G250-AD71-33
K3G280-AK54-21
GR35C-PDD.6K.1R
BG250-450
R3G280-AU11-C1
8314/17T
W2D300-CP02-30
北京恒瑞宏晟機電設備有限公司專業提供變頻器、軌道交通、空氣凈化、新能源汽車等領域的通風散熱制冷配件,風機型號齊全,全新原裝,現貨庫存,期待您咨詢采購!









