- 產品簡介
- 產品性能
- 應用范圍
R3G250-AD71-33 風機為后向離心風機,帶向后彎曲葉片的 ebm-papst 離心風扇主要用于吸入。由于大部分壓力積聚發生在葉輪中,因此通常不需要滾動殼體。離心風扇具有非常好的液壓效率和低噪音水平,非常適合高壓。 除了節能之外,集成控制電子還可以實現控制、監測和維護功能。
德國ebmpapst R3G250-AD71-33離心風機實拍圖



????北京恒瑞宏晟機電設備有限公司經營離心風機、軸流風扇、貫流風扇、變頻器風扇數十年,產品匯聚世界風機風扇品牌,長期供應德國ebmpapst(依必安派特)風機,型號齊全,大量現貨,全新原裝,歡迎垂詢!
德國ebmpapst R3G250-AD71-33離心風機參數
品牌 ebmpapst
類型 離心風機
型號 R3G250-AD71-33
用途 軌道交通
尺寸 250mm
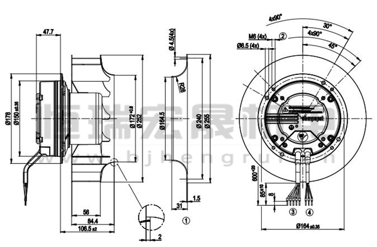
德國ebmpapst R3G250-AD71-33風機規格圖

北京恒瑞宏晟機電設備有限公司經營離心風機、軸流風扇、貫流風扇、變頻器風扇數十年,產品匯聚世界風機風扇品牌,長期供應德國ebmpapst(依必安派特)風機,型號齊全,大量現貨。
德國ebmpapst風扇R3G250-AD71-33 應用于軌道交通行業
軌道交通風機擁有AC和EC電機以其優異的性能、高動態和速度精準,節能和節省空間的設計,在高靜壓下擁有恒定的表現、低噪音和使用壽命長,因此在現代交通技術中得到廣泛的應用。它們可用于門窗控制、調節開關和信號、客艙空調和冷卻設備部件。

風機問題在線解答:
1、怎樣選擇軌道交通風機?
2、怎樣延長軌道交通風機使用壽命?
3、軌道交通風機工作原理?
更多風機技術問題請聯系客服?
其他熱門型號推薦:
7210N-181
RLF100-11/14/19
S2D170-BA04-06
S2D250-BI02-01
S2D200-BH18-01
K3G310-AV69-05
RLF100-11/14
W3G300-BV24-81
RH35C-PDD.6K.1R
RG160-28/18NU
R3G250-AD71-33
K3G280-AK54-21
GR35C-PDD.6K.1R
BG250-450
R3G280-AU11-C1
8314/17T
W2D300-CP02-30
北京恒瑞宏晟機電設備有限公司專業提供變頻器、軌道交通、空氣凈化、新能源汽車等領域的通風散熱制冷配件,風機型號齊全,全新原裝,現貨庫存,期待您咨詢采購!










