
- 產品簡介
- 產品性能
- 應用范圍
R2A150-AA01-14 風機為后向離心風機,帶向后彎曲葉片的 ebm-papst 離心風扇主要用于吸入。由于大部分壓力積聚發生在葉輪中,因此通常不需要滾動殼體。離心風扇具有非常好的液壓效率和低噪音水平,非常適合高壓。 除了節能之外,集成控制電子還可以實現控制、監測和維護功能。
德國ebmpapst R2A150-AA01-14離心風機實拍圖
????北京恒瑞宏晟機電設備有限公司經營離心風機、軸流風扇、貫流風扇、變頻器風扇數十年,產品匯聚世界風機風扇品牌,長期供應德國ebmpapst(依必安派特)風機,型號齊全,大量現貨,全新原裝,歡迎垂詢!
德國ebmpapst R2A150-AA01-14離心風機參數
類型 離心風扇
品牌 ebmpapst
型號 R2A150-AA01-14
電機功率 30(w)
電壓 230(V)
電流 0.24(A)
風葉直徑 150mm
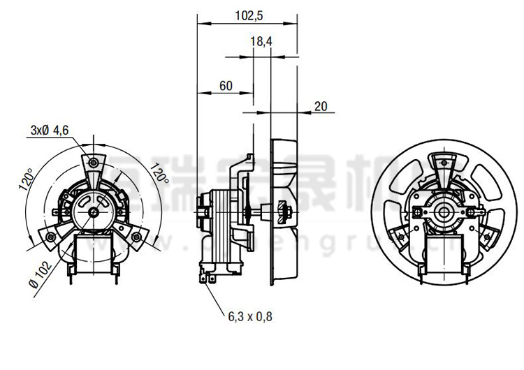
德國ebmpapst R2A150-AA01-14風機規格圖

北京恒瑞宏晟機電設備有限公司經營離心風機、軸流風扇、貫流風扇、變頻器風扇數十年,產品匯聚世界風機風扇品牌,長期供應德國ebmpapst(依必安派特)風機,型號齊全,大量現貨,全新原裝,歡迎垂詢!
德國ebmpapst風扇R2A150-AA01-14 應用于壁掛爐行業
ebmpapst的離心風機,具有高壓頭、高流量、結構緊湊的特點,尤其適用于冷凝式燃氣鍋爐、普通燃氣鍋爐、壁掛爐、燃油燃氣燃燒器、燃料電池等各種領域。風機采用了智能型的EC電機作為驅動,風機轉速可通過開式或閉式電路調節,安全節能,性能穩定,制熱12KW-4200KW的制熱風機系列產品均可覆蓋。
風機問題在線解答:
1、怎樣解決壁掛爐風機不停轉動?
2、怎樣安裝壁掛爐風機?
3、怎樣延長風機使用壽命?
更多風機技術問題請聯系客服?
其他熱門型號推薦:
RG148/1200-3633-010202
RG128/1300-3612-020204
RLG108/4200C1-3030LH/4-C4
RLG108/4200C1-3030LH/4-C5
RLN108/0034C2-3030LH/4-C2
NRV118/3000-3612-030210 CN30170
NRG118/0800-3612-030210 CN31290
R2A150-AA01-14
RG128/1300-3612-030206
RG148/1200-3633-010201
北京恒瑞宏晟機電設備有限公司專業提供變頻器、軌道交通、空氣凈化、燃氣鍋爐、新能源汽車等領域的通風散熱制冷配件,風機型號齊全,全新原裝,現貨庫存,期待您咨詢采購!