
- 產品簡介
- 產品性能
- 應用范圍
R2E190-RA26-05 風機為后向離心風機,帶向后彎曲葉片的 ebm-papst 離心風扇主要用于吸入。由于大部分壓力積聚發生在葉輪中,因此通常不需要滾動殼體。離心風扇具有非常好的液壓效率和低噪音水平,非常適合高壓。 除了節能之外,集成控制電子還可以實現控制、監測和維護功能。
德國ebmpapst R2E190-RA26-05 離心風機實拍圖



北京恒瑞宏晟機電設備有限公司經營離心風機、軸流風扇、貫流風扇、變頻器風扇數十年,產品匯聚世界風機風扇品牌,長期供應德國ebmpapst(依必安派特)風機,型號齊全,大量現貨,全新原裝,歡迎垂詢!
德國ebmpapst R2E190-RA26-05離心風機參數
類型 離心風扇
品牌 ebmpapst
型號 R2E190-RA26-05
電機功率 52/65(w)
電壓 230(V)
電流 0.23/0.29(A)
適用范圍 醫療器械
風量 540m3/h
風葉直徑 190mm
轉速 2350/2500min-1(r/min)
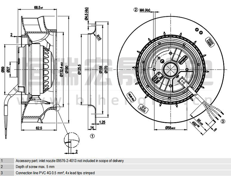
德國ebmpapst R2E190-RA26-05風機規格圖

德國ebmpapst R2E190-RA26-05風機曲線圖

北京恒瑞宏晟機電設備有限公司經營離心風機、軸流風扇、貫流風扇、變頻器風扇數十年,產品匯聚世界風機風扇品牌,長期供應德國ebmpapst(依必安派特)風機,型號齊全,大量現貨。
德國ebmpapst風扇R2E190-RA26-05 應用于醫療器械等行業
醫療技術中需要極小空間的復雜裝置。ebmpapst小尺寸風機可以同時滿足用戶對于空間的需求,使得裝置盡可能緊湊。即使是高效緊湊的技術也會產生需要消散的廢熱。選擇高性能、低噪音且使用壽命長的風機可以對設備的表現起到很大的幫助。對于醫療設備當然同樣重要的是:小巧、強勁、高效、提供高精度控制的驅動裝置。現代手術室已經離不開這些醫療設備。


風機問題在線解答:
1、怎樣選擇醫療器械風機?
2、風機安裝過程中需要注意哪些問題?
3、醫療器械風機工作原理?
更多風機技術問題請聯系客服?
其他熱門型號推薦:
G2E160-AY47-01
G2E180-EH03-01
9393020003
RG CPAP24V
R2E190-RA26-05
D2E146-HT67-02
RER160-28/56S
D2E146-HR93-01
R2E225-BD92-09
R3G310-AN43-71
G2E140-AL40-01
D2E146-AP47-22
R4E310-AP11-01/F01
W1G200-HH77-52
4114N/2H
4414FM
北京恒瑞宏晟機電設備有限公司專業提供變頻器、軌道交通、空氣凈化、新能源汽車等領域的通風散熱制冷配件,風機型號齊全,全新原裝,現貨庫存,期待您咨詢采購!