
- 產品簡介
- 產品性能
- 應用范圍
R2E190-RA26-05 ebmpapst 風力發電風機
類型 離心風扇
品牌 ebmpapst
型號 R2E190-RA26-05
電機功率 52/65(w)
電壓 230(V)
電流 0.23/0.29(A)
風量 540m3/h
風葉直徑 190mm
轉速 2350/2500(r/min)
德國ebmpapst R2E190-RA26-05離心風機實拍圖



風機配件選擇:

????北京恒瑞宏晟機電設備有限公司經營離心風機、軸流風扇、貫流風扇、變頻器風扇數十年,產品匯聚世界風機風扇品牌,長期供應德國ebmpapst(依必安派特)風機,型號齊全,大量現貨,全新原裝,歡迎垂詢!
R2E190-RA26-05 ebmpapst 離心風機報價
類型 離心風扇
品牌 ebmpapst
型號 R2E190-RA26-05
電機功率 52/65(w)
電壓 230(V)
電流 0.23/0.29(A)
風量 540m3/h
風葉直徑 190mm
轉速 2350/2500(r/min)
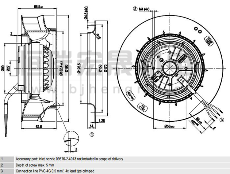
德國ebmpapst R2E190-RA26-05風機結構圖

德國ebmpapst R2E190-RA26-05風機曲線圖

北京恒瑞宏晟機電設備有限公司經營離心風機、軸流風扇、貫流風扇、變頻器風扇數十年,產品匯聚世界風機風扇品牌,長期供應德國ebmpapst(依必安派特)風機,型號齊全,大量現貨。
德國ebmpapst 風力發電風機 R2E190-RA26-05
風力發電可分為陸上風力發電和海上風力發電,風電機組是風力發電的重要組成部分。它設置在空間有限的風電艙室內,其工作過程中會產生大量熱量。為保證風電機組的正常運行,則需要風機將這些工作熱量及時疏散。
經過氣流的正壓導入,及在機組內的分流,風機對機組內各部件進行降溫,提高了降溫的效率和效果。風電機組艙室空間有限,風機結構緊湊,安裝便利;高防塵防水等級為風電機組的正常運行提供保障。

風機問題在線解答:
1、怎樣安裝風力發電風機?
2、風機安裝過程中需要注意哪些問題?
3、怎樣延長風機使用壽命?
D2E133-AM47-01/A01
G4D200-CD04-28
G4D250-CG07-01/F01
G4D310-DK03-05/F02
G4D355-CM15-XA/F02
K2E250-RA50-15
K2E250-RB06-13
K3G250-PR17-W9
R2D280-AF10-09
R2E250-RA50-01
R2E250-RB06-12
D4D250-CA02-01
R4D450-AK01-01/F01
D2E146-AP47-22
R2E225-BD92-09
K3G280-AU11-C3
R2E190-RA26-05
A2E200-AF02-01
A2E250-AE65-01
W2E200-HK38-C01
W2E250-HL06-01
W2D250-GA04-09
W2E250-CE65-01
北京恒瑞宏晟機電設備有限公司是一家從事風機及工控產品銷售的企業,主要提供通風散熱產品和工控系統配件,產品廣泛應用于通風、空調、制冷、供暖、電氣自動化、變頻器、軌道交通、HVAC(FFU/AHU)、空氣凈化、風電發電、工業醫療、新能源汽車等多個行業。風機型號齊全,全新原裝,現貨庫存,期待您咨詢采購!









