
- 產品簡介
- 產品性能
- 應用范圍
ebmpapst AHU/精密空調風扇 R3G500-RA28-03 工作原理
類型 離心風扇
品牌 ebmpapst
型號 R3G500-RA28-03
電機功率 3650(w)
電壓 3~380-480(V)
電流 5.6(A)
風葉直徑 500mm
轉速 1900(r/min)
防護等級 IP55
德國ebmpapst R3G500-RA28-03離心風機實拍圖



風機配件選擇:

???北京恒瑞宏晟機電設備有限公司經營離心風機、軸流風扇、貫流風扇、變頻器風扇數十年,產品匯聚世界風機風扇品牌,長期供應德國ebmpapst(依必安派特)風機,型號齊全,大量現貨,全新原裝,歡迎垂詢!
R3G500-RA28-03 ebmpapst EC調速風扇
類型 離心風扇
品牌 ebmpapst
型號 R3G500-RA28-03
電機功率 3650(w)
電壓 3~380-480(V)
電流 5.6(A)
風葉直徑 500mm
轉速 1900(r/min)
防護等級 IP55
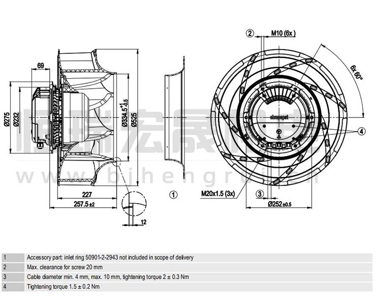
德國ebmpapst R3G500-RA28-03風機規格圖

德國ebmpapst R3G500-RA28-03風機曲線圖

北京恒瑞宏晟機電設備有限公司經營離心風機、軸流風扇、貫流風扇、變頻器風扇數十年,產品匯聚世界風機風扇品牌,長期供應德國ebmpapst(依必安派特)風機,型號齊全,大量現
行業。
德國ebmpapst風扇R3G500-RA28-03 應用于AHU 精密空調等行業
精密空調需將環境的溫度濕度嚴格控制在特定范圍。應用于大型數據中心、計算機機房、程序交換機機房、衛星移動通訊站、大型醫療設備室.實驗室.精密電子儀器生產車間等高精密環境。


風機問題在線解答:
1、怎樣實現風機群控?
2、怎樣安裝風機接線?
3、怎樣延長風機使用壽命?
更多風機技術問題請聯系客服?
其他熱門型號推薦:
R3G630-RB32-03
R3G450-RG51-25
R3G355-RG56-01
R3G630-RB21-61/S01
R3G630-RB32-71
R3G560-RA24-03
R3G560-RB32-10
R3G560-PB31-03
K3G450-PB24-01
R3G560-RB31-71
R3G500-RA24-71
北京恒瑞宏晟機電設備有限公司專業提供變頻器、軌道交通、空氣凈化、新能源汽車等領域的通風散熱制冷配件,風機型號齊全,全新原裝,現貨庫存,期待您咨詢采購!









