
- 產品簡介
- 產品性能
- 應用范圍
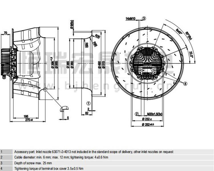
德國ebmpapstR3G560-AH32-61風機的規格圖

德國ebmpapstR3G560-AH32-61風機的曲線圖

北京恒瑞宏晟機電設備有限公司是一家從事風機及工控產品銷售的企業,主要提供通風散熱產品和工控系統配件,產品廣泛應用于通風、空調、制冷、供暖、電氣自動化、變頻器、軌道交通、HVAC(FFU/AHU)、空氣凈化、新能源汽車等多個行業。
德國ebmpapst R3G560-AH32-61離心風機參數
類型 離心風扇
品牌 ebmpapst
型號 R3G560-AH32-61
電機功率 3550(w)
電壓 400(V)
電流 5.5(A)
適用范圍 空調
風量 9815m3/h
風葉直徑 560mm
轉速 1580(r/min)
德國ebmpapst R3G560-AH32-61風機結構圖

德國ebmpapst R3G560-AH32-61風機曲線圖

北京恒瑞宏晟機電設備有限公司經營離心風機、軸流風扇、貫流風扇、變頻器風扇數十年,產品匯聚世界風機風扇品牌,長期供應德國ebmpapst(依必安派特)風機,型號齊全,大量現貨。
德國ebmpapst風扇R3G560-AH32-61 應用于大型空調等行業
機房精密空調需將環境的溫度濕度嚴格控制在特定范圍。應用于大型數據中心、計算機機房、程序交換機機房、衛星移動通訊站、大型醫療設備室.實驗室.精密電子儀器生產車間等高精密環境。
風機問題在線解答:
1、怎樣實現風機調速?
2、怎樣安裝風機接線?
3、怎樣延長風機使用壽命?
更多風機技術問題請聯系客服?
其他熱門型號推薦:
S6E450-AF08-29/F04
K3G450-AZ30-01
K3G560-PB31-03
R3G310-AZ88-01
R3G400-AK53-05
R3G595-AB23-08
R3G630-RB32-03
R3G630-RB32-71
R3G500-RA28-03
R3G560-RA24-03
A6D800-AD01-01
R3G355-RG56-01
W4D500-GM03-10
R3G500-AQ33-01
R3G500-AG25-01
R3G560-AH32-61
北京恒瑞宏晟機電設備有限公司專業提供變頻器、軌道交通、空氣凈化、新能源汽車等領域的通風散熱制冷配件,風機型號齊全,全新原裝,現貨庫存,期待您咨詢采購!