
- 產品簡介
- 產品性能
- 應用范圍
W2E143-AB09-01/F01 ebm UPS電源 機箱機柜 電力設備風扇
類型 軸流風扇
品牌 ebmpapst
型號 W2E143-AB09-01/F01
電機功率 24/30(w)
電壓 230(V)
電流 0.12(A)
風量 420(m3/h)
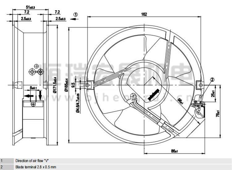
風葉直徑 172*51mm
轉速 2800(r/min)
德國ebmpapst W2E143-AB09-01/F01軸流風機實拍圖



????北京恒瑞宏晟機電設備有限公司經營離心風機、軸流風扇、貫流風扇、變頻器風扇數十年,產品匯聚世界風機風扇品牌,長期供應德國ebmpapst(依必安派特)風機,型號齊全,大量現貨,全新原裝,歡迎垂詢!
ebmpapst W2E143-AB09-01/F01 UPS電源 機箱機柜 電力設備風扇
類型 軸流風扇
品牌 ebmpapst
型號 W2E143-AB09-01/F01
電機功率 24/30(w)
電壓 230(V)
電流 0.12(A)
風量 420(m3/h)
風葉直徑 172*51mm
轉速 2800(r/min)
德國ebmpapst W2E143-AB09-01/F01風機規格圖

德國ebmpapst W2E143-AB09-01/F01風機曲線圖

北京恒瑞宏晟機電設備有限公司經營離心風機、軸流風扇、貫流風扇、變頻器風扇數十年,產品匯聚世界風機風扇品牌,長期供應德國ebmpapst(依必安派特)風機,型號齊全,大量現貨。
ebmpapst風扇 W2E143-AB09-01/F01 應用于UPS電源 電力設備 機箱機柜等行業
機柜一般分為服務器機柜、網絡機柜以及控制臺機柜等。在柜內溫度高于環境溫度時,風扇會有很大的作用。由于熱空氣比冷空氣輕,柜內空氣流向應當是由下往上,因此通常情況下,應在柜體的前門或者側壁板的下方作為進氣口,上方作為排氣口。

風機問題在線解答:
1、怎樣選擇機柜風扇配件?
2、怎樣安裝機柜風機?
3、怎樣接風機電源線?
更多風機技術問題請聯系客服?
其他熱門型號推薦:
W2S130-AA03-01
DV4650-470
DV4600-492
W2E250-HJ52-06
6224N
414J
DV4114/2N
4656N
4650N
4650N-465
W2E200-HK38-01
W2S130-AA03-71
W2S130-AA75-A2
RH71M-6DK.7Q.1R
D2E160-AB01-06
W2S130-BM03-11
W2E250-HL06-05
W2E200-HH38-07
K6E400-AA17-09
北京恒瑞宏晟機電設備有限公司專業提供變頻器、軌道交通、空氣凈化、新能源汽車等領域的通風散熱制冷配件,風機型號齊全,全新原裝,現貨庫存,期待您咨詢采購!









