- 產品簡介
- 產品性能
- 應用范圍
R3G190-RB01-08 ebmpapst 威圖機柜風扇 風機選型
品牌 ebmpapst
類型 離心風扇
型號 R3G190-RB01-08
功率 38(W)
電壓 230(V)
電流 0.38(A)
風葉直徑 190mm
轉速 2370(r/min)
德國ebmpapst R3G190-RB01-08離心風機實拍圖



????北京恒瑞宏晟機電設備有限公司經營離心風機、軸流風扇、貫流風扇、變頻器風扇數十年,產品匯聚世界風機風扇品牌,長期供應德國ebmpapst(依必安派特)風機,型號齊全,大量現貨,全新原裝,歡迎垂詢!
德國ebmpapst R3G190-RB01-08 威圖機柜風扇
品牌 ebmpapst
類型 離心風扇
型號 R3G190-RB01-08
功率 38(W)
電壓 230(V)
電流 0.38(A)
風葉直徑 190mm
轉速 2370(r/min)
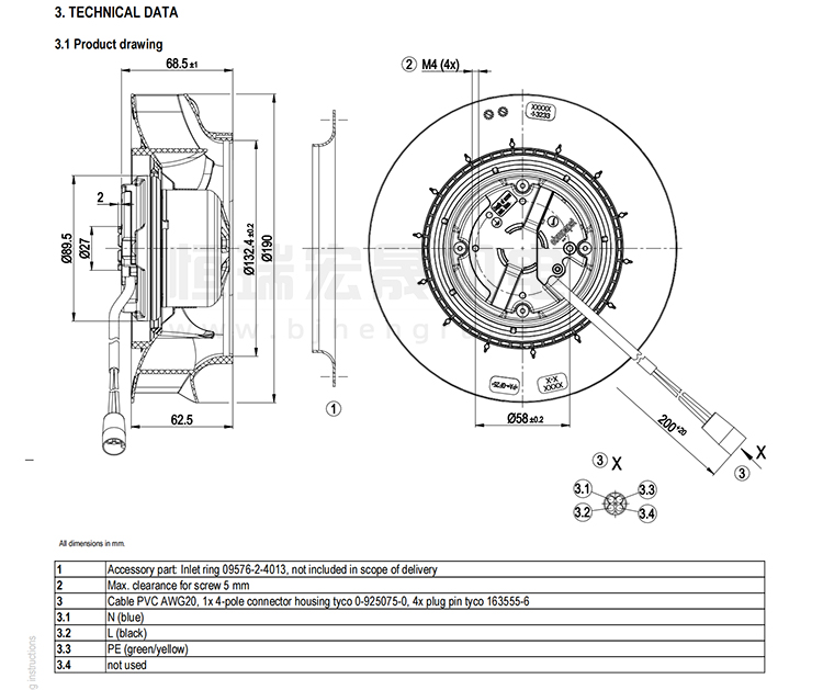
德國ebmpapst R3G190-RB01-08離心風機結構圖



????北京恒瑞宏晟機電設備有限公司經營離心風機、軸流風扇、貫流風扇、變頻器風扇數十年,產品匯聚世界風機風扇品牌,長期供應德國ebmpapst(依必安派特)風機,型號齊全,大量現貨,全新原裝,歡迎垂詢!
ebmpapst 威圖機柜風機 R3G190-RB01-08
機柜一般分為服務器機柜、網絡機柜以及控制臺機柜等。在柜內溫度高于環境溫度時,風扇會有很大的作用。由于熱空氣比冷空氣輕,柜內空氣流向應當是由下往上,因此通常情況下,應在柜體的前門或者側壁板的下方作為進氣口,上方作為排氣口。

風機問題在線解答:
K2D250-AB32-05
K2D250-AH06-06
K2E190-AB77-09
K2E200-AH08-15
K2E200-AH20-05
K2E220-AB06-09
K2E225-AA26-09
K2E225-RB92-09
K2E250-AA01-09
K2E250-AH34-06
K2E250-AH38-16
K2S165-AA17-05
K2S165-AA75-06
K2S165-AA77-15
北京恒瑞宏晟機電設備有限公司是一家從事風機及工控產品銷售的企業,主要提供通風散熱產品和工控系統配件,產品廣泛應用于通風、空調、制冷、供暖、電氣自動化、變頻器、軌道交通、HVAC(FFU/AHU)、空氣凈化、風電發電、工業醫療、新能源汽車等多個行業。風機型號齊全,全新原裝,現貨庫存,期待您咨詢采購!










