
- 產品簡介
- 產品性能
- 應用范圍
K3G560-PB31-03/F01 風機為后向離心風機。帶向后彎曲葉片的 ebm-papst 離心風扇主要用于吸入。由于大部分壓力積聚發生在葉輪中,因此通常不需要滾動殼體。后向離心風扇具有非常好的液壓效率和低噪音水平,非常適合高壓。 除了節能之外,集成控制電子還可以實現控制、監測和維護功能。
德國ebmpapst K3G560-PB31-03/F01離心風機實拍圖



????北京恒瑞宏晟機電設備有限公司經營離心風機、軸流風扇、貫流風扇、變頻器風扇數十年,產品匯聚世界風機風扇品牌,長期供應德國ebmpapst(依必安派特)風機,型號齊全,大量現貨,全新原裝,歡迎垂詢!
德國ebmpapst K3G560-PB31-03/F01離心風機參數
類型 離心風扇
品牌 ebmpapst
型號 K3G560-PB31-03/F01
電壓 400(V)
適用范圍 精密空調 AHU
風葉直徑 560mm
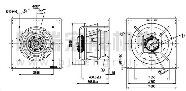
德國ebmpapst K3G560-PB31-03/F01風機規格圖

德國ebmpapst K3G560-PB31-03/F01風機曲線圖

北京恒瑞宏晟機電設備有限公司經營離心風機、軸流風扇、貫流風扇、變頻器風扇數十年,產品匯聚世界風機風扇品牌,長期供應德國ebmpapst(依必安派特)風機,型號齊全,大量現貨,全新原裝,歡迎垂詢!
、HVAC(FFU/AHU)、空氣凈化、新能源汽車等多個行業。
德國ebmpapst風扇K3G560-PB31-03/F01 應用于AHU 精密空調等行業
AHU風機主要是抽取室內空氣(return air)和部份新風以控制出風溫度和風量來維持室內溫度?;谕廪D子技術的EC風機, 有效節約了皮帶傳動或內轉子傳動軸占用的空間,非常適合AHU改造工程,基于原AHU系統,加入PM2.5濾除段后,空間更小、阻力更大,要求更大風量。
風機問題在線解答:
1、怎樣實現風機調速?
2、怎樣安裝風機接線?
3、怎樣延長風機使用壽命?
更多風機技術問題請聯系客服?
其他熱門型號推薦:
R3G630-RB32-03
R3G450-RG51-25
R3G355-RG56-01
R3G630-RB21-61/S01
R3G630-RB32-71
R3G560-RA24-03
R3G560-RB32-10
R3G560-PB31-03
K3G450-PB24-01
R3G560-RB31-71
R3G500-RA24-71
北京恒瑞宏晟機電設備有限公司專業提供變頻器、軌道交通、空氣凈化、新能源汽車等領域的通風散熱制冷配件,風機型號齊全,全新原裝,現貨庫存,期待您咨詢采購!