
- 產品簡介
- 產品性能
- 應用范圍
德國ebmpapst R3G450-PB29-L1 離心風機 AHU風扇
類型 離心風扇
品牌 ebmpapst
型號 R3G450-PB29-L1
功率 6800(W)
電壓 400(V)
電流 10.3(A)
轉速 2800(r/min)
風葉直徑 450mm
德國ebmpapst R3G450-PB29-L1離心風機實拍圖


北京恒瑞宏晟機電設備有限公司經營離心風機、軸流風扇、貫流風扇、變頻器風扇數十年,產品匯聚世界風機風扇品牌,長期供應德國ebmpapst(依必安派特)風機,型號齊全,大量現貨,全新原裝,歡迎垂詢!
德國ebmpapst R3G450-PB29-L1離心風機 AHU風扇
類型 離心風扇
品牌 ebmpapst
型號 R3G450-PB29-L1
功率 6800(W)
電壓 400(V)
電流 10.3(A)
轉速 2800(r/min)
風葉直徑 450mm
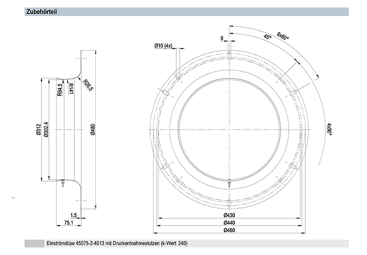
德國ebmpapst R3G450-PB29-L1風機規格圖





北京恒瑞宏晟機電設備有限公司經營離心風機、軸流風扇、貫流風扇、變頻器風扇數十年,產品匯聚世界風機風扇品牌,長期供應德國ebmpapst(依必安派特)風機,型號齊全,大量現貨。
德國ebmpapst風扇R3G450-PB29-L1 應用于AHU 行業
AHU風機主要是抽取室內空氣(return air)和部份新風以控制出風溫度和風量來維持室內溫度。基于外轉子技術的EC風機, 有效節約了皮帶傳動或內轉子傳動軸占用的空間,非常適合AHU改造工程,基于原AHU系統,加入PM2.5濾除段后,空間更小、阻力更大,要求更大風量。


風機問題在線解答:
1、怎樣實現風機調速?
2、怎樣安裝風機接線?
3、怎樣延長風機使用壽命?
更多風機技術問題請聯系客服?
其他熱門型號推薦:
R3G630-RB32-03
R3G450-RG51-25
R3G355-RG56-01
R3G630-RB21-61/S01
R3G630-RB32-71
R3G560-RA24-03
R3G560-RB32-10
R3G560-PB31-03
K3G450-PB24-01
R3G560-RB31-71
R3G500-RA24-71
K3G250-AV29-B2
R3G355-AY43-21
R3G400-AC13-30
R3G400-AD23-33
R3G400-AD27-61
北京恒瑞宏晟機電設備有限公司專業提供變頻器、軌道交通、空氣凈化、新能源汽車等領域的通風散熱制冷配件,風機型號齊全,全新原裝,現貨庫存,期待您咨詢采購!









