
- 產品簡介
- 產品性能
- 應用范圍
R4E310-AP11-01 風機為后向離心風機。帶向后彎曲葉片的 ebm-papst 離心風扇主要用于吸入。由于大部分壓力積聚發生在葉輪中,因此通常不需要滾動殼體。后向離心風扇具有非常好的液壓效率和低噪音水平,非常適合高壓。 除了節能之外,集成控制電子還可以實現控制、監測和維護功能。
德國ebmpapst R4E310-AP11-01離心風機實拍圖



北京恒瑞宏晟機電設備有限公司經營離心風機、軸流風扇、貫流風扇、變頻器風扇數十年,產品匯聚世界風機風扇品牌,長期供應德國ebmpapst(依必安派特)風機,型號齊全,大量現貨,全新原裝,歡迎垂詢!
德國ebmpapst R4E310-AP11-01離心風機參數
類型 離心風扇
品牌 ebmpapst
型號 R4E310-AP11-01
電機功率 115(w)
電壓 230(V)
電流 0.52(A)
適用范圍 FFU
風葉直徑 310mm
轉速 1390(r/min)
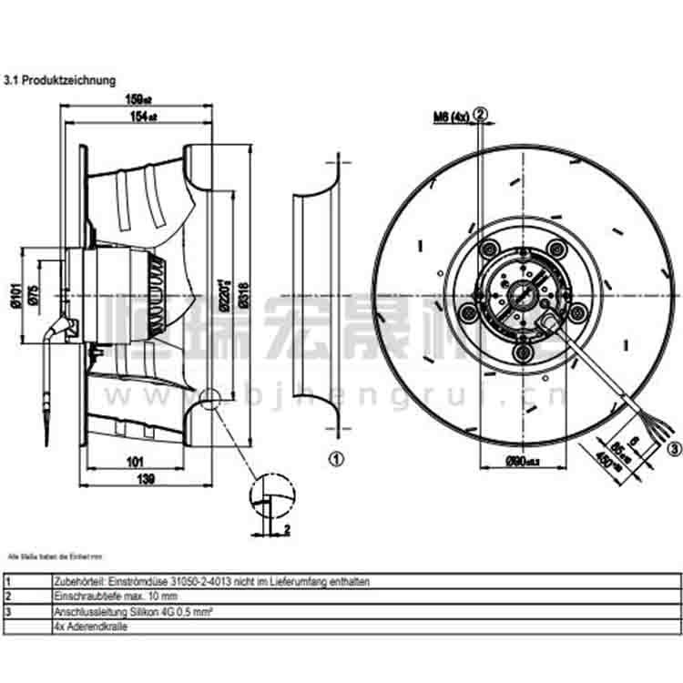
德國ebmpapst R4E310-AP11-01風機規格圖


德國ebmpapst R4E310-AP11-01風機曲線圖

北京恒瑞宏晟機電設備有限公司經營離心風機、軸流風扇、貫流風扇、變頻器風扇數十年,產品匯聚世界風機風扇品牌,長期供應德國ebmpapst(依必安派特)風機,型號齊全,大量現貨,全新原裝,歡迎垂詢!
風機過濾機組(FFU)廣泛用于潔凈室、潔凈工作臺、潔凈生產線、組裝式潔凈室。如半導體電子元件生產、光學行業、生物工業等領域。
FFU系列的風機產品特征:
效率高,大風量,低噪聲,更安靜;
單機控制、群組控制,實時監控,工業通用RS485通訊;
通用性強,結構安裝/維護簡便,高可靠性,性能全面保護。


風機問題在線解答:
1、ebm風機怎么實現調速?
2、購買的風機怎么接線安裝?
3、風機怎樣延長使用壽命?
更多風機技術問題請聯系客服?
其他熱門型號推薦:
R3G310-AN43-71
R3G355-AM14-61
R3G355-AM29-71
R3G400-AC30-61
R3G310-AN12-30/F01
D4E225-CC01-02
K3G630-AR02-01
R4E355-AL02-06
R4E355-AL02-05
R4E310-AP11-09/F01
R3G450-PA31-03
R4E310-AP11-01
北京恒瑞宏晟機電設備有限公司專業提供變頻器、軌道交通、空氣凈化、新能源汽車等領域的通風散熱制冷配件,風機型號齊全,全新原裝,現貨庫存,期待您咨詢采購!









