- 產品簡介
- 產品性能
- 應用范圍
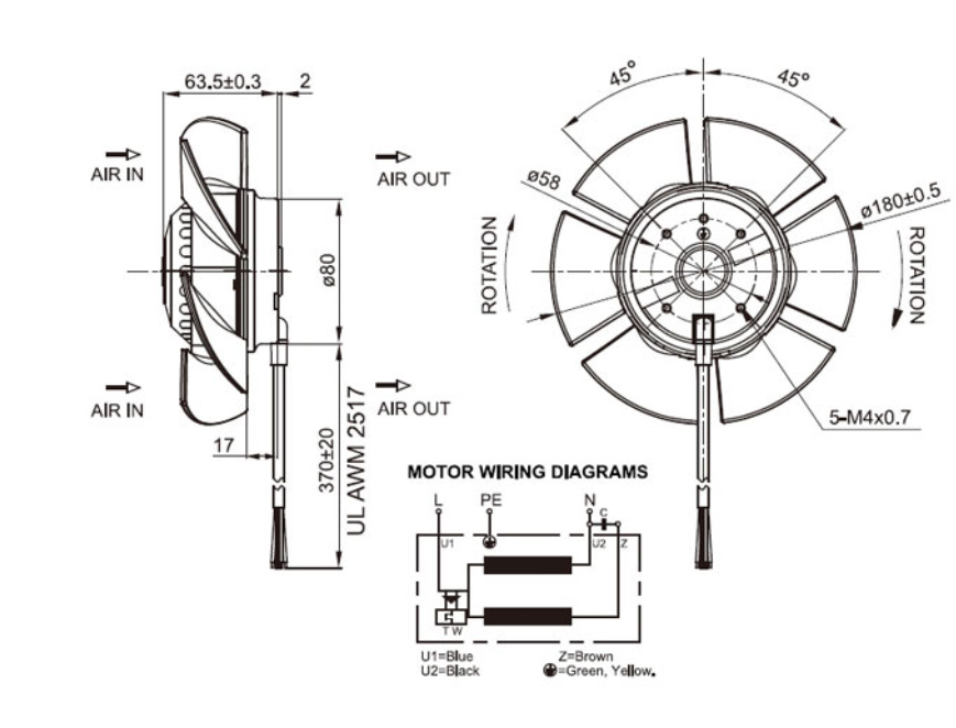
外轉式轉子風扇
UF180BAB Series
| 構架材質: | 鋁壓鑄 | ||||||||||||||||||||
| 扇葉材質: | 工業塑膠或鋼 | ||||||||||||||||||||
| 軸承種類: | 鋼珠軸承 | ||||||||||||||||||||
| 馬達種類: | 蔽極式馬達或電容啟動式馬達 | ||||||||||||||||||||
| 接線方式 | 出線式或端子式 | ||||||||||||||||||||
| 保護方式: | 阻抗保護或溫度保護或電子式保護 | ||||||||||||||||||||
| 絕緣電阻: | Above 100MΩ, DC500V. | ||||||||||||||||||||
| 耐電壓試驗 | AC 1,500V (50/60Hz) one minute | ||||||||||||||||||||
| 壽命: | 鋼珠軸承:40,000小時以上(40°C以下) | ||||||||||||||||||||
| 安規認證: | CUL, CE, TUV, either UL or ETL. | ||||||||||||||||||||
| 型號介紹 |
|
風機品牌代理商,多款風機有售,全新原裝,歡迎點擊?恒瑞宏晟
| UF180BAB11H1C2A | UF180BAB23H1C2A | ||
|---|---|---|---|
| Rated Voltage | 115 V | 230 V | |
| Frequency | 50/60 Hz | 50/60 Hz | |
| Input Power | 76/75 W | 76/75 W | |
| Rated Current | 0.7/0.71 A | 0.35/0.4 A | |
| Locked Current | 1.23/1.23 A | 0.54/0.54 A | |
| Speed | 2750/3100 RPM | 2750/3100 RPM | |
| Maximum Air Flow | 9.5/11 m3/min. | 9.5/11 m3/min. | |
| Maximum Air Flow | 335/388 CFM | 335/388 CFM | |
| Maximum Pressure | 7.5/10 mmH2O | 7.5/10 mmH2O | |
| Maximum Pressure | 0.3/0.4 InchH2O | 0.3/0.4 InchH2O | |
| Noise | 62/65 dB | 1.2 kg | |
| Weights | 1.2 kg | 1.2 kg |
.jpg)
.jpg)
風機品牌代理商,多款風機有售,全新原裝,歡迎點擊?恒瑞宏晟
外轉式軸流風扇, 較傳統軸流風扇具有更強大的風量與轉速, 金屬扇葉設計特別符合工業化用戶的各種需求
產品應用:
- 配電盤散熱風扇
- 機電箱散熱風扇
- 變頻器散熱風扇
- UPS散熱風扇










