- 產品簡介
- 產品性能
- 應用范圍
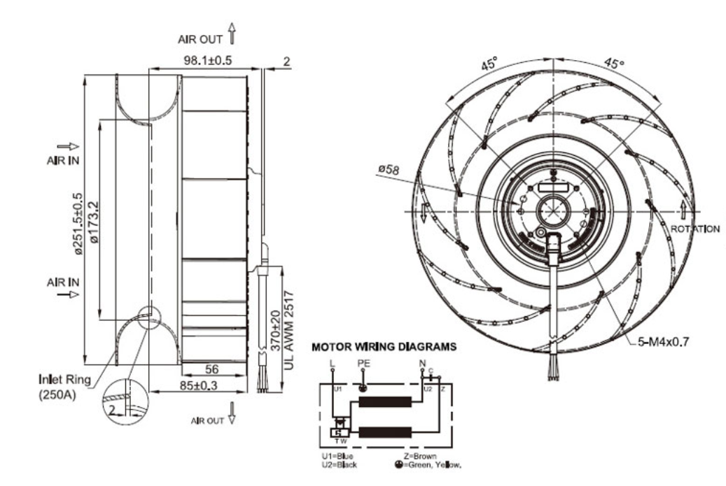
離心扇
UF250APA Series
| 構架材質: | 鋁壓鑄 | ||||||||||||||||||||
| 扇葉材質: | 工業塑膠或鋼 | ||||||||||||||||||||
| 軸承種類: | 鋼珠軸承 | ||||||||||||||||||||
| 馬達種類: | 蔽極式馬達或電容啟動式馬達 | ||||||||||||||||||||
| 接線方式 | 出線式或端子式 | ||||||||||||||||||||
| 保護方式: | 阻抗保護或溫度保護或電子式保護 | ||||||||||||||||||||
| 絕緣電阻: | Above 100MΩ, DC500V. | ||||||||||||||||||||
| 耐電壓試驗 | AC 1,500V (50/60Hz) one minute | ||||||||||||||||||||
| 壽命: | 鋼珠軸承:40,000小時以上(40°C以下) | ||||||||||||||||||||
| 安規認證: | CUL, CE, TUV, either UL or ETL. | ||||||||||||||||||||
| 型號介紹 |
|
風機品牌代理商,多款風機有售,全新原裝,歡迎點擊?恒瑞宏晟
| UF250APA11H1C2A | UF250APA23H1C2A | ||
|---|---|---|---|
| Rated Voltage | 115 V | 230 V | |
| Frequency | 50/60 Hz | 50/60 Hz | |
| Input Power | 170/240 W | 170/240 W | |
| Rated Current | 1.5/2.1 A | 0.77/1 A | |
| Locked Current | 3.1/3 A | 1.57/1.52 A | |
| Speed | 2600/2700 RPM | 2600/2700 RPM | |
| Maximum Air Flow | 22/24 m3/min. | 22/24 m3/min. | |
| Maximum Air Flow | 770/850 CFM | 770/850 CFM | |
| Maximum Pressure | 56/74 mmH2O | 56/74 mmH2O | |
| Maximum Pressure | 2.2/2.9 InchH2O | 2.2/2.9 InchH2O | |
| Noise | 75/76 dB | 3.1 kg | |
| Weights | 3.1 kg | 3.1 kg |
離心扇氣流入風口與出風口成90度的結構設計, 適合需要特殊應用的工業化用戶
產品應用:
- 機電箱散熱風扇
- UPS散熱風扇
- 無塵室FFU專用風扇
- 熱交換器散熱風扇
- CNC工具機散熱風扇
- 空氣清凈機散熱風扇
- 除濕機散熱風扇
- 太陽能系統散熱風扇


.jpg)
.jpg)








