- 產品簡介
- 產品性能
- 應用范圍
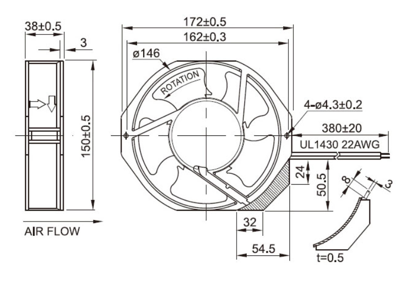
軸流扇
UF15AC Series
| 構架材質: | 鋁合金 | ||||||||||||||||||
| 扇葉材質: | 工業塑膠PBT PC 尼龍或金屬材質 | ||||||||||||||||||
| 軸承種類: | 鋼珠軸承或含油軸承 | ||||||||||||||||||
| 馬達種類: | 蔽極式馬達或電容啟動式馬達 | ||||||||||||||||||
| 接線方式: | 出線式或端子式 | ||||||||||||||||||
| 保護方式: | 阻抗保護或溫度保護 | ||||||||||||||||||
| 絕緣電阻: | 高于100MΩ,DC 500V. | ||||||||||||||||||
| 壽命: | 鋼珠軸承:40,000小時以上(40°C以下)
含油軸承:15,000小時以上(40°C以下)
|
||||||||||||||||||
| 安規認證: | CUL, CE, TUV, either UL or ETL | ||||||||||||||||||
| 型號介紹. |
|
風機品牌代理商,多款風機有售,全新原裝,歡迎點擊?恒瑞宏晟
| UF15AC11-H | UF15AC23-H | ||
|---|---|---|---|
| Rated Voltage | 115 V | 230 V | |
| Frequency | 50/60 Hz | 50/60 Hz | |
| Input Power | 29/28 W | 27/26 W | |
| Rated Current | 0.25/0.23 A | 0.11/0.11 A | |
| Locked Current | 0.36/0.38 A | 0.18/0.18 A | |
| Speed | 2850/3400 RPM | 2850/3400 RPM | |
| Maximum Air Flow | 5/6 m3/min. | 5/6 m3/min. | |
| Maximum Air Flow | 177/212 CFM | 177/212 CFM | |
| Maximum Pressure | 17/19 mmH2O | 17/19 mmH2O | |
| Maximum Pressure | 0.67/0.75 InchH2O | 0.67/0.75 InchH2O | |
| Noise | 54/58 dB | 0.72 kg | |
| Weights | 0.72 kg | 0.72 kg |
.jpg)
風機品牌代理商,多款風機有售,全新原裝,歡迎點擊?恒瑞宏晟
產品應用:
- 配電盤散熱風扇
- 機電箱散熱風扇
- 變壓器散熱風扇
- UPS散熱風扇
- 各式工廠設備散熱風扇
- 發電機、馬達散熱風扇
- 冷藏、冷凍設備散熱風扇
- 舞臺燈散熱風扇










