
- 產品簡介
- 產品性能
- 應用范圍
GR22V-4IP.ZC.BR 施樂百 ziehl-abegg 離心風機
類型 離心風扇
品牌 ziehl-abegg
型號 GR22V-4IP.ZC.BR
電機功率 170(w)
電壓 1~ 200-240V
電流 1.65/1.40A
轉速 2810(r/min)
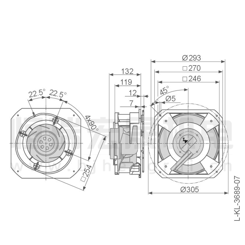
德國ziehl-abegg GR22V-4IP.ZC.BR 風機結構圖

德國ziehl-abegg GR22V-4IP.ZC.BR 風機接線圖


北京恒瑞宏晟機電設備有限公司經營離心風機、軸流風扇、貫流風扇、變頻器風扇數十年,產品匯聚世界風機風扇品牌,長期供應德國ziehl-abegg(施樂百)風機,型號齊全,大量現貨,全新原裝,歡迎垂詢!
GR22V-4IP.ZC.BR 施樂百 ziehl-abegg 離心風機
類型 離心風扇
品牌 ziehl-abegg
型號 GR22V-4IP.ZC.BR
電機功率 170(w)
電壓 1~ 200-240V
電流 1.65/1.40A
轉速 2810(r/min)
德國ziehl-abegg GR22V-4IP.ZC.BR 風機結構圖

德國ziehl-abegg GR22V-4IP.ZC.BR 風機接線圖

德國ziehl-abegg GR22V-4IP.ZC.BR風機曲線圖

北京恒瑞宏晟機電設備有限公司經營離心風機、軸流風扇、貫流風扇、變頻器風扇數十年,產品匯聚世界風機風扇品牌,長期供應德國ziehl-abegg(施樂百)風機,型號齊全,大量現貨,全新原裝,歡迎垂詢!
施樂百ziehl-abegg 風機 GR22V-4IP.ZC.BR
北京恒瑞宏晟機電設備有限公司是一家從事風機及工控產品銷售的企業,主要提供通風散熱產品和工控系統配件,產品廣泛應用于通風、空調、制冷、供暖、電氣自動化、變頻器、軌道交通、HVAC(FFU/AHU)、空氣凈化、風電發電、工業醫療、新能源汽車等多個行業。
風機問題在線解答:
MK165-4DK.24.N
MK137-2DK.15.N
MK137-2DK.10.N
MK137-2DK.07.N
GR35C-2DK.6N.1R
GR35C-2DD.6K.1R
GR31M-6ID.BD.2R
FN050-VDK.4I.A7
FC063-4DQ.6K.A7
RF22P-2DK.3F.5R
RF22P-2DD.5H.1R
RE22P-2DK.3F.5R
RE22P-2DD.5H.1R
RE18P-2DK.1E.2R
RD25S-4EW.4I.DL
RD22P-4DW.4N.1R
北京恒瑞宏晟機電設備有限公司專業提供變頻器、軌道交通、空氣凈化、新能源汽車等領域的通風散熱制冷配件,風機型號齊全,全新原裝,現貨庫存,期待您咨詢采購









