- 產品簡介
- 產品性能
- 應用范圍
R4D500-RA03-01 ebmpapst 儲能集裝箱空調風扇 風機選型
品牌 ebmpapst
型號 R4D500-RA03-01
電壓 230(V)
功率: 1520(W)
轉速: 1370(r/min)
電流: 5.04(A)
尺寸: 500mm
風壓: 750PA
噪音: 76DBA
使用環境:-25~60°
凈重: 3.0KG
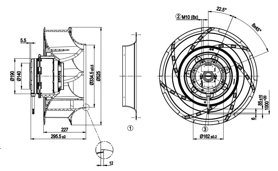
德國ebmpapst R4D500-RA03-01離心風機實拍圖



風機配件選擇:

北京恒瑞宏晟機電設備有限公司經營離心風機、軸流風扇、貫流風扇、變頻器風扇數十年,產品匯聚世界風機風扇品牌,長期供應德國ebmpapst(依必安派特)風機,型號齊全,大量現貨,全新原裝,歡迎垂詢!
德國ebmpapst R4D500-RA03-01 儲能集裝箱空調風機
品牌 ebmpapst
型號 R4D500-RA03-01
電壓 230(V)
功率: 1520(W)
轉速: 1370(r/min)
電流: 5.04(A)
尺寸: 500mm
風壓: 750PA
噪音: 76DBA
使用環境:-25~60°
凈重: 3.0KG
德國ebmpapst R4D500-RA03-01離心風機結構圖


北京恒瑞宏晟機電設備有限公司經營離心風機、軸流風扇、貫流風扇、變頻器風扇數十年,產品匯聚世界風機風扇品牌,長期供應德國ebmpapst(依必安派特)風機,型號齊全,大量現貨,全新原裝,歡迎垂詢!
R4D500-RA03-01 ebmpapst 儲能集裝箱空調風扇
PCS、電池、EMS等儲能核心設備以及電力儲能系統集成方案、工商業儲能系統集成方案、戶用儲能系統,滿足輔助新能源并網、調頻調峰、需求側響應、微電網等需求,致力于讓電力數字互聯。
儲能風機特點:
安裝簡便,整機易更換,方便維護
支持多模式智能控制,更安全智能可靠
風機個性化定制
功能選擇:RD信號報警或FG轉速偵測,PWM占空比調速或PWM 0-10V電壓調速。

風機問題在線解答:
R4D400-AL17-05
R4D450-AA04-05
R4D450-AD12-06
R4D450-AK01-01/F01
R4D450-RH01-01
R4D500-AT03-01
R4D500-RA03-01
R3G500-8317081581
R3G500-FA28-03
R3G560-8317081579
R3G560-8317080795
R3G500-RA28-03
R3G560-RA24-03
R3G630-RB32-03
R3G630-FB32-03
R3G250-PR17-W9
R3G190-RC05-03
R3G225-RE07-03
R3G225-AE17-C01
R3G225-8317075812
R3G250-8317076409
R3G250-AK41-71
R3G250-RR01-H1
北京恒瑞宏晟機電設備有限公司是一家從事風機及工控產品銷售的企業,主要提供通風散熱產品和工控系統配件,產品廣泛應用于通風、空調、制冷、供暖、電氣自動化、變頻器、軌道交通、HVAC(FFU/AHU)、空氣凈化、風電發電、工業醫療、新能源汽車、儲能等多個行業。風機型號齊全,全新原裝,現貨庫存,期待您咨詢采購!










